Jump to navigation
8 912 998 96 62
ttgroup72@mail.ru
Товаров в корзине: 0
О компании
Каталог
Вездеходы ТМ-140
Статьи
Сервис
Контакты
МКСМ
Подробный каталог
Общий каталог
МАШИНА КОММУНАЛЬНО-СТРОИТЕЛЬНАЯ МНОГОЦЕЛЕВАЯ 533-9-62-00-000-1К; МАШИНА КОММУНАЛЬНО-СТРОИТЕЛЬНАЯ МНОГОЦЕЛЕВАЯ 533Н-сб2 1
МАШИНА КОММУНАЛЬНО-СТРОИТЕЛЬНАЯ МНОГОЦЕЛЕВАЯ 533-9-62-00-000-1К МАШИНА КОММУНАЛЬНО-СТРОИТЕЛЬНАЯ МНОГОЦЕЛЕВАЯ 533Н-сб2 2
РАМА В СБОРЕ 533-9-62-02-000-1-01К 3
РАМА В СБОРЕ 533Н-02-сб1 4
РАМА В СБОРЕ 533-9-62-02-000-1-01К 5
РАМА В СБОРЕ 533-9-62-02-000-1-01К 6
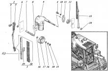
КАБИНА 533-9-62-81-010-1К 7
КАБИНА 533Н-81-сб1 8
КАБИНА 533-9-62-81-010-1К 9
КАБИНА 533Н-81-сб1 10
КАБИНА 533-9-62-81-010-1К 11
КАБИНА 533Н-81-сб1 12
КАБИНА 533-9-62-81-010-1К 13
КАБИНА 533Н-81-сб1 14
КАБИНА 533-9-62-81-010-1К 15
КАБИНА 533Н-81-сб1 16
КАБИНА 533-9-62-81-010-1К; 533Н-81-сб1 17
КАБИНА 533-9-62-81-010-1К; 533Н-81-сб1 18
КАБИНА 533-9-62-81-010-1К; 533Н-81-сб1 19
КАБИНА 533-9-62-81-010-1К; 533Н-81-сб1 20
ОКНО ЛЕВОЕ 533-9-62-81-898-1К 21
ОКНО 533-9-62-81-1080-1К 22
ОКНО ПРАВОЕ 533-9-62-81-899-1K 23
ОКНО 533-9-62-81-1080-1-01К 24
ОКНО 533-9-62-81-1080-1-01К 25
ДВЕРЬ 533-9-62-81-1054-1К 26
САЙЛЕНТБЛОК 533-9-62-81-470-1К 27
ШУМОИЗОЛЯЦИЯ КАБИНЫ 533-9-62-32-010-1К 28
ШУМОИЗОЛЯЦИЯ КАБИНЫ 533Н-32-сб1 29
ШУМОИЗОЛЯЦИЯ КАБИНЫ 533-9-62-32-010-1К 30
ШУМОИЗОЛЯЦИЯ КАБИНЫ 533Н-32-сб1 31
СИДЕНЬЕ 533-9-62-44-000-1К 32
Страницы
1
2
…
›
»