КАБИНА 533-9-62-81-010-1К; 533Н-81-сб1 18

Купить запчасти для КАБИНЫ 533-9-62-81-010-1К; 533Н-81-сб1 18 вы можете в компании ООО «ТрейдТрансГрупп». Запчасть подходит для спецтехники МКСМ и обеспечивает стабильную работу даже при высокой нагрузке. Предлагаем качественные комплектующие, помощь в подборе и доставку по всей России.
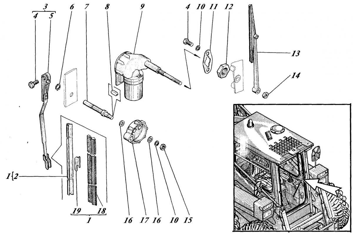
| Позиция на рисунке | Артикул | Наименование | Цена | |
|---|---|---|---|---|
| 1 | 533-9-62-81-953-1К | Щетка стеклоочистителя | дог. | |
| 2 | 533-0-62-81-956-1К | Планка | дог. | |
| 3 | 533-9-62-81-951-1К | Поводок | дог. | |
| 5 | 533-9-62-81-952-1К | Поводок | дог. | |
| 7 | 533-0-62-81-757-1К | Вал | дог. | |
| 8 | 23360 2-3x3x8 | Шпонка | дог. | |
| 9 | СЛ230М | Стелкоочиститель | дог. | |
| 11 | 533-0-62-81-962-1К | Планка | дог. | |
| 12 | М16х1,5 | Гайка | дог. | |
| 13 | СЛ230-5205513 | Щетка стеклоочистителя | дог. | |
| 14 | Мб | Гайка | дог. | |
| 17 | 675-75-31 | Маховик | дог. | |
| 18 | 533-0-62-81-957-1К | Лента щетки | дог. | |
| 19 | 591191 | Крючок | дог. |
