Jump to navigation
8 912 998 96 62
ttgroup72@mail.ru
Товаров в корзине: 0
О компании
Каталог
Вездеходы ТМ-140
Статьи
Сервис
Контакты
ТТМ 3902
Подробный каталог
Общий каталог
Подвеска двигателя и блок цилиндров
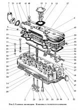
Головка блока цилиндров. Клапаны и толкатели клапанов
Поршни и шатуны. Коленчатый вал и маховик
Распределительный механизм
Масляный картер
Приемник масляного насоса и масляный насос
Фильтр тонкой очистки масла
Центробежный масляный фильтр
Насос топливный высокого давления. Топливопроводы высокого давления
Форсунка
Фильтр топливный тонкой очистки
Трубы приемные и выхлопные
Термостат
Жидкостной насос
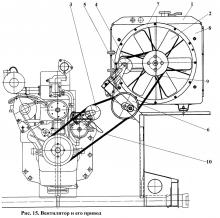
Вентилятор и его привод
Сцепление в сборе
Картер сцепления
Привод управления сцеплением
Коробка передач
Крышка и механизм переключения передач
Привод управления механизма переключения передач
Мультипликатор
Вал карданный переднего моста
Передача главная
Фрикционы
Тормоза
Привод управления фрикционами и тормозами
Муфты соединительные и полуоси
Передача бортовая
Прибор буксирный
Крюки буксирные
Амортизаторы
Страницы
1
2
›
»