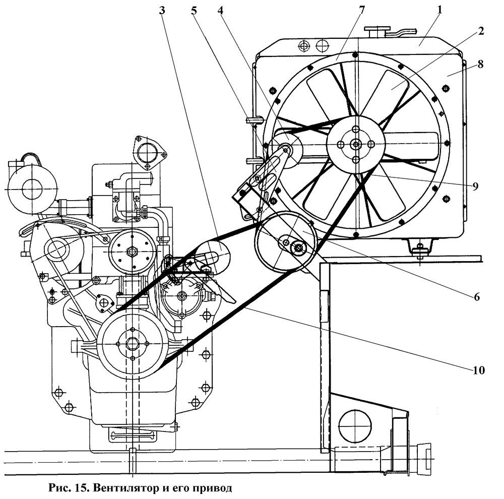
Вентилятор и его привод

ООО "Трейдтрансгрупп" предлагает запчасти для спецтехники ТРАНСПОРТНО-ТЕХНОЛОГИЧЕСКАЯ МАШИНА СЕМЕЙСТВА ТТМ 3902
| Позиция на рисунке | Артикул | Наименование | Цена | |
|---|---|---|---|---|
| 1 | 3205-1301010 | Радиатор | дог. | |
| 2 | 3205-1308010 | Вентилятор | дог. | |
| 3 | 53-1308067-03 | Ролик натяжной в сборе | дог. | |
| 4 | 53-1308080-12 | Ролик натяжной в сборе | дог. | |
| 5 | 3205-1308261 | Кронштейн крепления натяжного ролика | дог. | |
| 6 | 3205-1308140 | Промежуточная опора привода вентилятора | дог. | |
| 7 | 3205-1309003 | Корпус с валом вентилятора | дог. | |
| 8 | 3205-1309019 | Кожух вентилятора | дог. | |
| 9 | 1-11х10х1400 | Ремень привода вентилятора (конечный) | дог. | |
| 10 | 1-11х10х1775 | Ремень привода вентилятора (промежуточный) | дог. |
