Jump to navigation

Главная
8 912 998 96 62
ttgroup72@mail.ru

Товаров в корзине: 0

  • О компании
  • Каталог
  • Вездеходы ТМ-140
  • Статьи
  • Сервис
  • Контакты

МТЛБ

  • Подробный каталог
  • Общий каталог
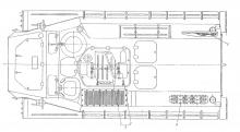
Оборудование корпуса 202
Групповой комплект (установка носилок) 203
Инструмент и принадлежности (укладка инструмента и принадлежностей на транспортере-тягаче МТ-ЛБВ) 204
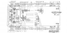
Схема расположения подшипников в транспортерах-тягачах 205

Страницы

  • «
  • ‹
  • …
  • 6
  • 7

Контакты

Адрес: 625019, г. Тюмень, ул. Республики д. 252, К. 7, офис 409.
8 912 998 96 62
8 (345) 253-04-07
ttgroup72@mail.ru

Соглашение об обработке персональных данных
Политика конфиденциальности

Заказать обратный звонок

Поиск по сайту


© 2025 ООО «‎Трейдтрансгрупп»