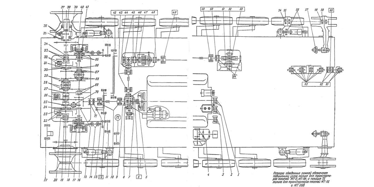
Схема расположения подшипников в транспортерах-тягачах 205

ООО "Трейдтрансгрупп" предлагает запчасти для спецтехники МТЛБ