ЯЩИК ТМ140-55-сб112 49

Купить запчасти для ЯЩИКА ТМ140-55-сб112 49 вы можете в компании ООО «ТрейдТрансГрупп». Запчасть подходит для спецтехники ТМ 140 и обеспечивает стабильную работу даже при высокой нагрузке. Предлагаем качественные комплектующие, помощь в подборе и доставку по всей России.
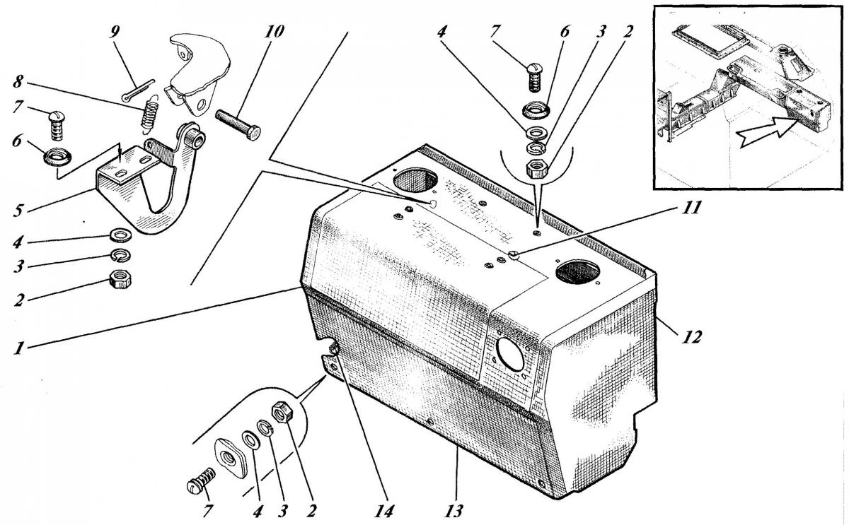
| Позиция на рисунке | Артикул | Наименование | Цена | |
|---|---|---|---|---|
| 1 | ТМ140-55-46 | Крышка | дог. | |
| 5 | ТМ140-55-сб127 | Кронштейн | дог. | |
| 8 | 672-38-103 | Пружина | дог. | |
| 10 | ТМ140-55-48 | Ось | дог. | |
| 12 | ТМ140-55-сб126 | Кожух | дог. | |
| 11 | ТМ 140-5 5-сб 127-01 | Кронштейн | дог. | |
| 14 | ТМ 140-55-45 | Упор | дог. |
