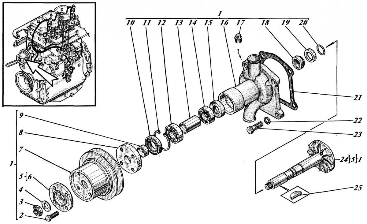
ВОДЯНОЙ НАСОС 81

ООО "Трейдтрансгрупп" предлагает запчасти для спецтехники МКСМ
| Позиция на рисунке | Артикул | Наименование | Цена | |
|---|---|---|---|---|
| 17 | 5501 0219 | Пробка коническая | дог. | |
| 2 | 99 9006 М8х18 | Болт | дог. | |
| 1 | 6901 0661 | Насос водяной | дог. | |
| 3 | 99 3690 М14х1,5 | Гайка | дог. | |
| 4 | 95 0612 | Шайба гайки | дог. | |
| 5 | 5501 0699 | Вал комплектный | дог. | |
| 6 | 5501 0604 | Центробежное колесо | дог. | |
| 12 | 97 1054 6303 | Подшипник | дог. | |
| 22 | 99 4807 10,2 | Шайба | дог. | |
| 20 | 97 4366 22x18 | Кольцо | дог. | |
| 19 | 7001 0692 | Нажимное кольцо | дог. | |
| 18 | 5501 0606 | Уплотнение водяного насоса | дог. | |
| 16 | 6901 0654 | Корпус водяного насоса | дог. | |
| 15 | 97 4116 20x40x10 | Манжета | дог. | |
| 14 | 97 1034 6203 | Подшипник | дог. | |
| 13 | 95 0602 | Дистанционная трубка | дог. | |
| 11 | 97 0294 | Предохранительное кольцо | дог. | |
| 10 | 97 4120 24x47x10 | Манжета | дог. | |
| 9 | 95 0609 | Вставка | дог. | |
| 8 | 95 0610 | Втулка шкива | дог. | |
| 7 | 95 0614 | Шкив водяного насоса | дог. | |
| 23 | 99 8678 М10х35 | Болт | дог. | |
| 24 | 5501 0603 | Вал | дог. | |
| 25 | 99 8108 4x6,5 | Шпонка | дог. |
