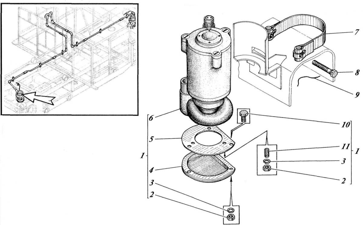
ВОДООТКАЧИВАЮЩИЕ СРЕДСТВА ТМ140-38-сб1 157

Купить запчасти для ВОДООТКАЧИВАЮЩЕГОСЯ СРЕДСТВА ТМ140-38-сб1 157 вы можете в компании ООО «ТрейдТрансГрупп». Запчасть подходит для спецтехники ТМ 140 и обеспечивает стабильную работу даже при высокой нагрузке. Предлагаем качественные комплектующие, помощь в подборе и доставку по всей России.
| Позиция на рисунке | Артикул | Наименование | Цена | |
|---|---|---|---|---|
| 4 | 699-38-сб117 | Сетка | дог. | |
| 5 | 699-38-33 | Кольцо | дог. | |
| 7 | 765-38-сб167 | Лента | дог. | |
| 9 | 792 | Проволока | дог. | |
| 6 | ТМ140-3 8-сб 106 | Насос | дог. |
