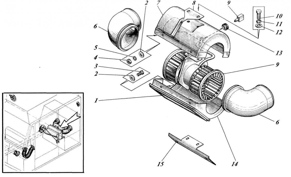
ВЕНТИЛЯТОР ТМ140-71-сб119 177

Купить запчасти для ВЕНТИЛЯТОРА ТМ140-71-сб119 177 вы можете в компании ООО «ТрейдТрансГрупп». Запчасть подходит для спецтехники ТМ 140 и обеспечивает стабильную работу даже при высокой нагрузке. Предлагаем качественные комплектующие, помощь в подборе и доставку по всей России.
| Позиция на рисунке | Артикул | Наименование | Цена | |
|---|---|---|---|---|
| 10 | 7796 M8-6gxl8.46.019 | Болт | дог. | |
| 1 | 4331-8118187 | Прокладка | дог. | |
| 4 | 5915 М6-6Н.6.016 | Гайка | дог. | |
| 7 | 4331-8118036 | Улитка вентилятора (верхняя часть) | дог. | |
| 6 | ТМ140-71-сб121 | Патрубок | дог. | |
| 8 | ТМ140-71-сб 122 | Кронштейн | дог. | |
| 9 | ТМ140-71-сб 120 | Электродвигатель в сборе | дог. | |
| 13 | 4331-8118153 | Втулка | дог. | |
| 14 | 4331-8118042 | Улитка вентилятора (нижняя часть) | дог. | |
| 15 | ТМ140-71-51 | Кронштейн | дог. |
