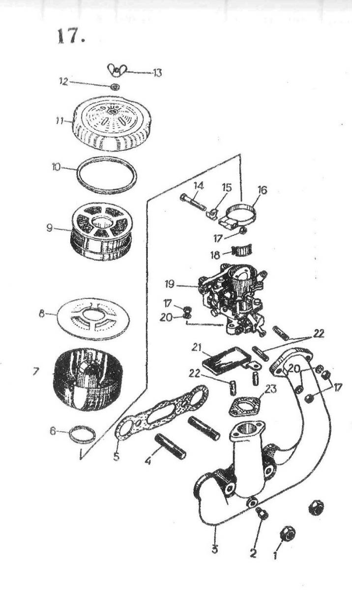
Установка воздухоочистителя пускового двигателя

ООО "Трейдтрансгрупп" предлагает запчасти для спецтехники Т-170 Б10
| Позиция на рисунке | Артикул | Наименование | Цена | |
|---|---|---|---|---|
| 14 | 700-28-2176 | Болт | дог. | |
| 13 | 05573-1 | Гайка | дог. | |
| 15 | 700-31-2269 | Шайба стопорная | дог. | |
| 4 | 2996 | Шпилька | дог. | |
| 23 | 46160 | Прокладка | дог. | |
| 10 | 40796 | Кольцо | дог. | |
| 1 | 3036 | Гайка | дог. | |
| — | 18-26-320СП | Хомут | дог. | |
| 2 | 17-05-180СП | Фильтр | дог. | |
| 9 | 17-05-176СП | Кассета | дог. | |
| 7 | 17-05-175СП | Поддон | дог. | |
| — | 17-05-174СП | Воздухоочиститель | дог. | |
| 21 | 17-05-155СП | Щиток | дог. | |
| — | 17-05-17СП | Установка воздухоочистителя | дог. | |
| 3 | 17-05-1 | Коллектор | дог. | |
| 8 | 17-05-134 | Маслоотражатель | дог. | |
| 11 | 17-05-149 | Крышка | дог. | |
| 16 | 18-26-468 | Лента | дог. | |
| 5 | 700-40-2049 | Прокладка | дог. | |
| 18 | 700-41-3331 | Накладка | дог. |
