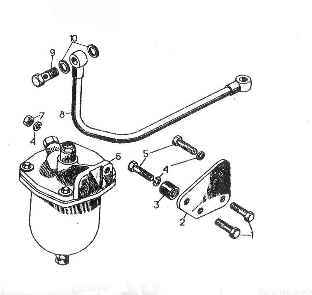
Установка топливного фильтра грубой очистки

ООО "Трейдтрансгрупп" предлагает запчасти для спецтехники  Т-170 Б10