УСТАНОВКА СИЛОВОГО БЛОКА 533-9-62-07-000-1К 54

Купить запчасти для УСТАНОВКИ СИЛОВОГО БЛОКА 533-9-62-07-000-1К 54 вы можете в компании ООО «ТрейдТрансГрупп». Запчасть подходит для спецтехники МКСМ и обеспечивает стабильную работу даже при высокой нагрузке. Предлагаем качественные комплектующие, помощь в подборе и доставку по всей России.
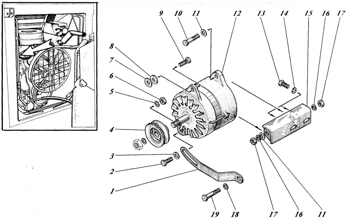
| Позиция на рисунке | Артикул | Наименование | Цена | |
|---|---|---|---|---|
| 1 | 533-0-62-07-223-1К | Тяга | дог. | |
| 2 | 7796 M8-6gx26.46.019 | Болт | дог. | |
| 4 | 533-0-62-07-222-2К | Шкив | дог. | |
| 7 | 672-31-78-02 | Шайба | дог. | |
| 12 | 46.4.3701 | Генератор | дог. | |
| 13 | 99 9027 Ml0x20 | Болт | дог. | |
| 15 | 533-9-62-07-221-1К | Кронштейн | дог. | |
| 18 | 99 4806 8 | Шайба | дог. |
