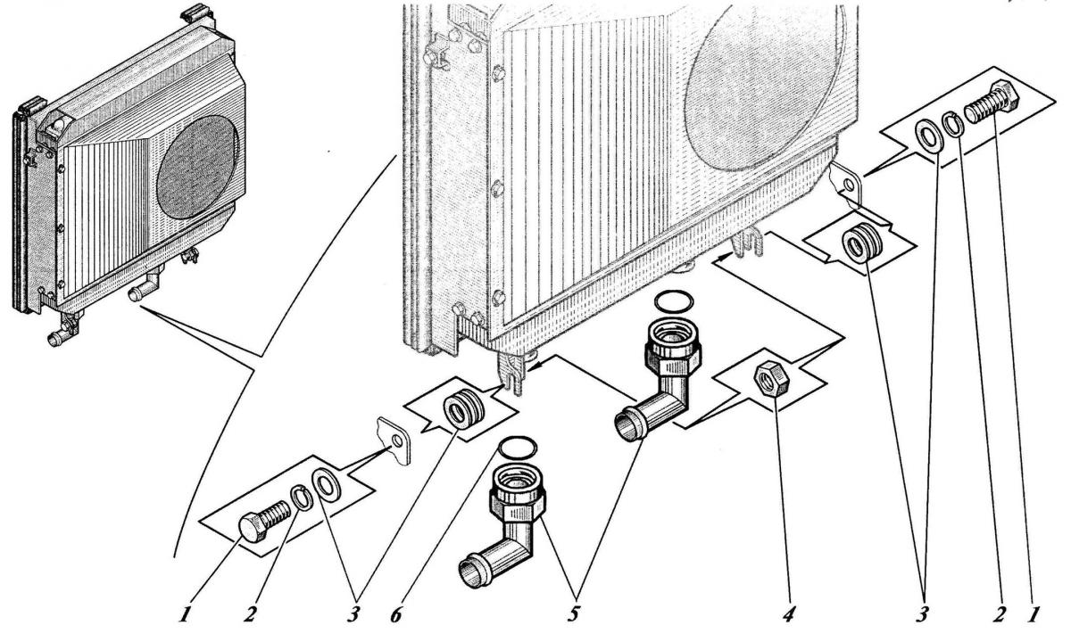
УСТАНОВКА РАДИАТОРА 533Н-22-сб1 151

ООО "Трейдтрансгрупп" предлагает запчасти для спецтехники МКСМ

Позиция на рисунке Артикул Наименование Цена