УСТАНОВКА ДВИГАТЕЛЯ ТМ140-01-сб1 192

Купить запчасти для УСТАНОВКИ ДВИГАТЕЛЯ ТМ140-01-сб1 192 вы можете в компании ООО «ТрейдТрансГрупп». Запчасть подходит для спецтехники ТМ 140 и обеспечивает стабильную работу даже при высокой нагрузке. Предлагаем качественные комплектующие, помощь в подборе и доставку по всей России.
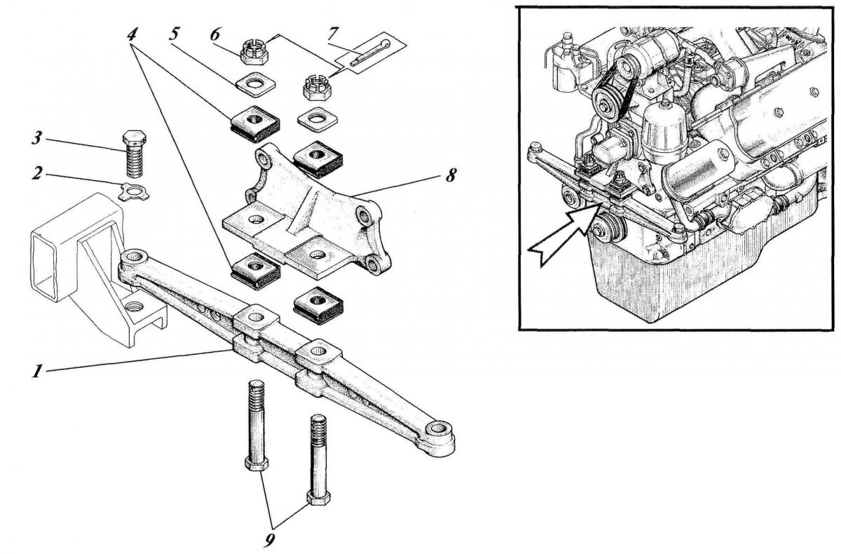
| Позиция на рисунке | Артикул | Наименование | Цена | |
|---|---|---|---|---|
| 7 | 397 4x40.0118 | Шплинт | дог. | |
| 2 | 662-01-39 | Шайба стопорная | дог. | |
| 3 | 7796 3M20xl.5-6gx60.88.38XC.019 | Болт | дог. | |
| 4 | 662-01-сб 102 | Амортизатор | дог. | |
| 5 | 662-01-5 | Шайба | дог. | |
| 6 | 662-01-6 | Гайка | дог. | |
| 8 | 662-01-35 | Кронштейн | дог. | |
| 9 | 7796 2M20xl.5-6gxl50.88.38XC.019 | Болт | дог. | |
| 1 | ТМ140-01-2 | Балка | дог. |
