ТРАНСМИССИЯ ТМ140-000-сб1 262

Купить запчасти для ТРАНСМИССИИ ТМ140-000-сб1 262 вы можете в компании ООО «ТрейдТрансГрупп». Запчасть подходит для спецтехники ТМ 140 и обеспечивает стабильную работу даже при высокой нагрузке. Предлагаем качественные комплектующие, помощь в подборе и доставку по всей России.
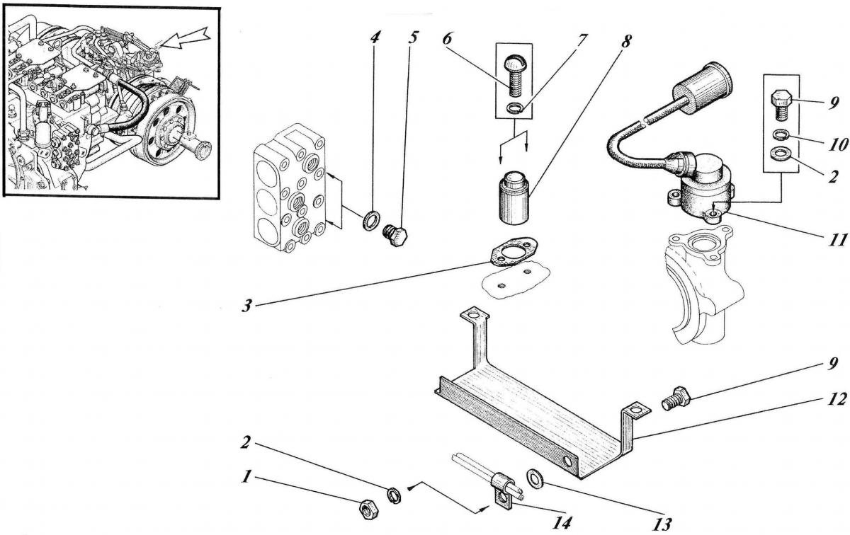
| Позиция на рисунке | Артикул | Наименование | Цена | |
|---|---|---|---|---|
| 9 | 7796 M8-6gx 16.46.019 | Болт | дог. | |
| 7 | 6402 4Т.65Г.06 | Шайба | дог. | |
| 6 | 17473 M4-6gxl6.48.016 | Винт | дог. | |
| 5 | 38.02.3829 | Датчик предельного давления | дог. | |
| 1 | 5913 М8-6Н.6.019 | Гайка | дог. | |
| 3 | 688-12-326 | Прокладка | дог. | |
| 4 | 700-40-260-08 | Прокладка | дог. | |
| 8 | ИС-445 БШ 2.780.009 | Датчик числа оборотов | дог. | |
| 11 | МЭ 307-У-ХЛ | Датчик спидометра | дог. | |
| 12 | ДП4.800-12-102 | Кожух | дог. | |
| 14 | 672-54-9-06 | Хомут | дог. |
