ТРАНСМИССИЯ ТМ140-000-сб1 260

Купить запчасти для ТРАНСМИССИИ ТМ140-000-сб1 260 вы можете в компании ООО «ТрейдТрансГрупп». Запчасть подходит для спецтехники ТМ 140 и обеспечивает стабильную работу даже при высокой нагрузке. Предлагаем качественные комплектующие, помощь в подборе и доставку по всей России.
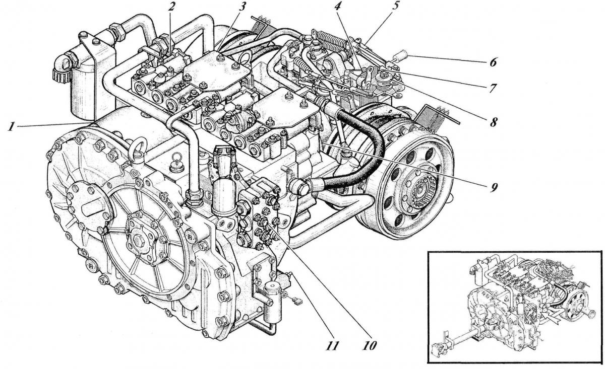
| Позиция на рисунке | Артикул | Наименование | Цена | |
|---|---|---|---|---|
| 1 | ТМ140-12-сб3 | Механизм передачи и поворота | дог. | |
| 2 | И0445 БШ2.780.009 | Датчик числа оборотов | дог. | |
| 6 | ИЭ307-У-ХЛ | Датчик спидометра | дог. | |
| 3 | ТМ140-22-сб1 | Система смазки и управления | дог. | |
| 7 | ТМ140-17-сб 113-01 | Тяга | дог. | |
| 9 | ММ358 | Датчик указателя давления | дог. | |
| 11 | ТМ-100А | Датчик указателя температуры | дог. | |
| 8 | ТМ140-17-сб277 | Блок рычагов | дог. |
