ТОРМОЗА







ООО "Трейдтрансгрупп" предлагает запчасти для спецтехники, для гусеничного тяжелого транспортера-тягача ГТ-Т и гусеничного снегоболотоходного сидельного тягача ГТ-ТС
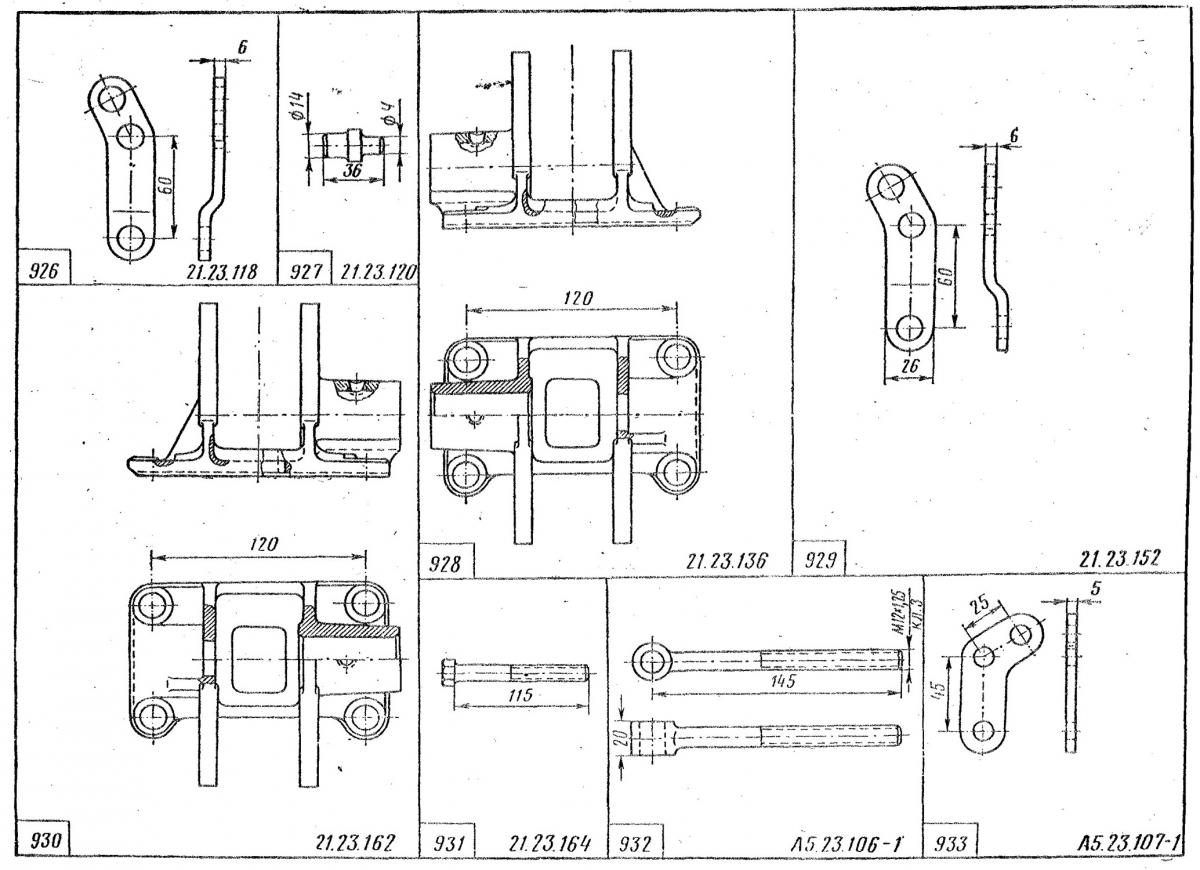
| Позиция на рисунке | Артикул | Наименование | Цена | |
|---|---|---|---|---|
| 912 | 21.23.022 | Тормоз остановочный левый в сборе | дог. | |
| 937 | А5.23.129-1 | Тяга тормоза остановочного короткая | дог. | |
| 935 | А5.23.1141 | Пружина серьги ленты тормоза остановочного | дог. | |
| 934 | А.5.23.108-1 | Пружина серьги ленты тормоза механизма поворота | дог. | |
| 933 | А5.23.1071 | Рычаг тормоза механизма поворота | дог. | |
| 931 | 21.23.164 | Болт регулировочный | дог. | |
| 930 | 21.23.162 | Кронштейн тормоза остановочного левый | дог. | |
| 929 | 21.23.152 | Рычаг тормозной тормоза остановочного правый | дог. | |
| 928 | 21.23.136 | Кронштейн тормоза остановочного правый | дог. | |
| 927 | 21.23.120 | Палец рычага тормоза остановочного | дог. | |
| 926 | 21.23.118 | Рычаг тормозной тормоза остановочного .левый | дог. | |
| 925 | 21.23.113 | Серьга ленты тормоза остановочного | дог. | |
| 924 | 21.23.112 | Палец пpoушин тормоза | дог. | |
| 923 | 21.23.105 | Тяга регулировочная тормоза механизма поворота | дог. | |
| 922 | 21.23.040 | Тормоз остановочный правый в сборе | дог. | |
| 921 | 21.23.039 | Кронщтейн тормоза остановочного левый с втулками | дог. | |
| 920 | 21.23.038 | Кронштейн тормоза остановочного правый с втулками | дог. | |
| 919 | 21.23.037 | Кронштейн растяжек верхний в сборе | дог. | |
| 918 | 21.23.036 | Кронштейн растяжек правый | дог. | |
| 917 | 21.23.035 | Кронштейн растяжек левый | дог. | |
| 916 | 21.23.032 | Кронштейн растяжек правый задний в сборе | дог. | |
| 915 | 21.23.028 | Кронштейн растяжек левый задний в сборе | дог. | |
| 914 | 21.23.026 | Лента тормоза остановочного в сборе | дог. | |
| 913 | 21.23.023 | Лента тормоза механизма поворота в сборе | дог. | |
| 911 | 21.23.0521 | Тормоза механи.зма поворота в сборе | дог. | |
| 947 | 21.22.033-1 | Валик уравнительный левый с рычагом | дог. | |
| 946 | 21.22.034-1 | Валик уравнительный правый с рычагом | дог. | |
| 948 | 21.22.137 | Рычаг тормоза | дог. |
