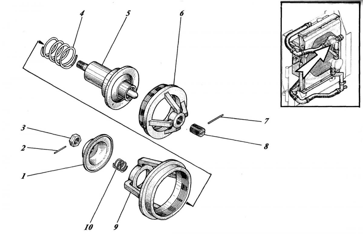
ТЕРМОСТАТ 533-9-62-22-156-1К 148

ООО "Трейдтрансгрупп" предлагает запчасти для спецтехники МКСМ
| Позиция на рисунке | Артикул | Наименование | Цена | |
|---|---|---|---|---|
| 1 | 533-0-62-22-160-1К | Клапан | дог. | |
| 2 | 18143 1-12х18Н10Т | Проволока | дог. | |
| 3 | 672-30-45 | Гайка | дог. | |
| 4 | 672-38-170 | Пружина | дог. | |
| 5 | 533-9-62-62-22-163-1К | Датчик термосиловой с клапаном | дог. | |
| 6 | 533-0-62-22-158-1К | Седло клапана | дог. | |
| 7 | 18143 2-12х18Н10Т | Проволока | дог. | |
| 8 | 533-0-62-22-161-1К | Винт | дог. | |
| 9 | 533-0-62-22-159-1К | Корпус | дог. | |
| 10 | 672-38-406 | Пружина | дог. |
