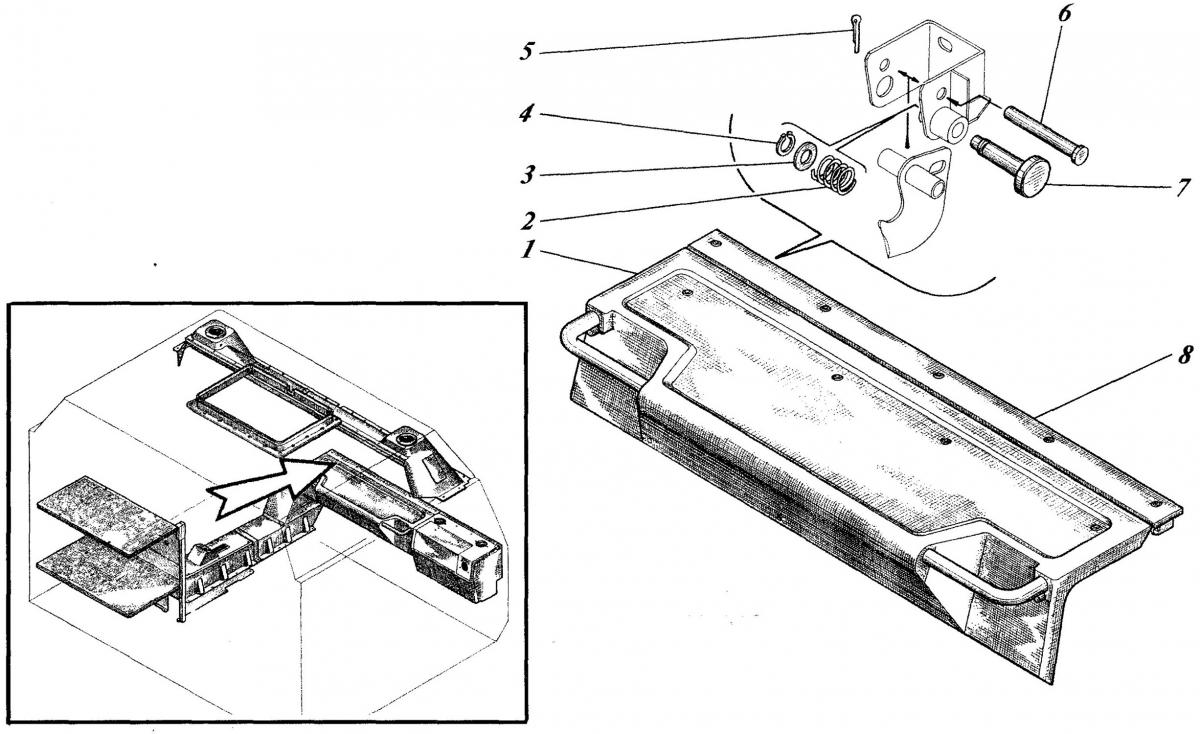
СТОЛ ТМ140-55-сб113 50

Купить запчасти для СТОЛА ТМ140-55-сб113 50 вы можете в компании ООО «ТрейдТрансГрупп». Запчасть подходит для спецтехники ТМ 140 и обеспечивает стабильную работу даже при высокой нагрузке. Предлагаем качественные комплектующие, помощь в подборе и доставку по всей России.
| Позиция на рисунке | Артикул | Наименование | Цена | |
|---|---|---|---|---|
| 1 | ТМ140-55-сб125 | Стол | дог. | |
| 4 | 13942 В8 | Кольцо | дог. | |
| 7 | ТМ140-55-60 | Фиксатор | дог. | |
| 6 | ТМ140-55-48-01 | Ось | дог. | |
| 8 | ТМ140-55-сб134 | Балка | дог. |
