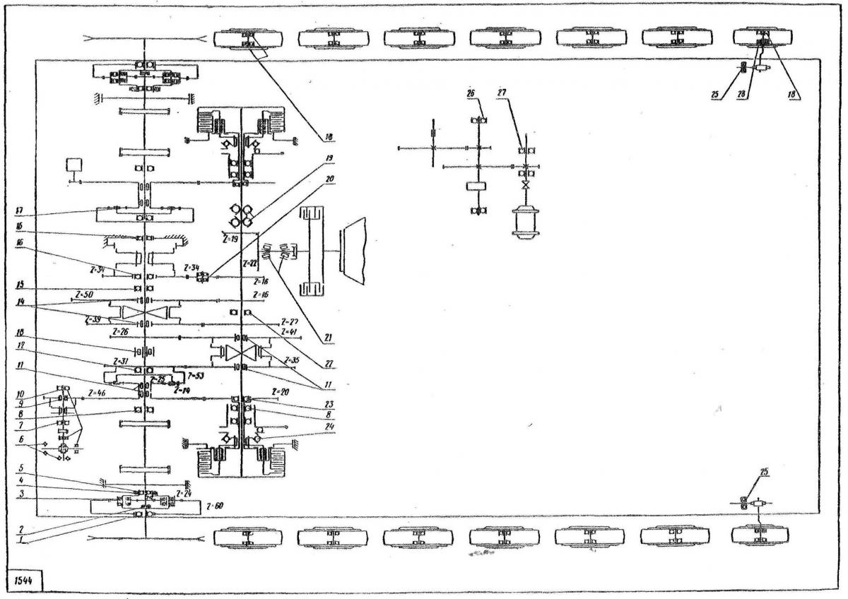
СПЕЦИФИКАЦИЯ ШАРИКОВЫХ И РОЛИКОВЫХ ПОДШИПНИКОВ

ООО "Трейдтрансгрупп" предлагает запчасти для спецтехники, для гусеничного тяжелого транспортера-тягача ГТ-Т и гусеничного снегоболотоходного сидельного тягача ГТ-ТС
| Позиция на рисунке | Артикул | Наименование | Цена | |
|---|---|---|---|---|
| 24 | 46118-Л ГОСТ 831—62 | Шариковый радиальноупорный | дог. | |
| - | Шар 16 ГОСТ 3722—60, 16 ГОСТ 3722—60, 9 ГОСТ 3722—60, 12 ГОСТ 3722—60, 12 ГОСТ 3722—60 | Сводные шарики | дог. | |
| 17 | Ролик 6,5X11 H31—57 | Сводные ролики | дог. | |
| 9 | Ролик 3,5X30 ГОСТ 6870—54 | Сводные иглы | дог. | |
| 14 | Ролик 4X40 ГОСТ 6870—54 | Сводные иглы | дог. | |
| 11 | Ролик 4X34 ГОСТ 6870—54 | Сводные иглы | дог. | |
| 3 | 42209-Л ГОСТ 8328—57 | Роликовый радиальный с короткими цилиндрическими роликами | дог. | |
| — | 1203 ГОСТ 5720—51 | Шариковый сферический | дог. | |
| 25 | 8307 ГОСТ 6874—54 | Шариковый упорный | дог. | |
| 4 | 2002826-Л (нестандартный) | Роликовый с цилиндрическими роликами | дог. | |
| 21 | 7312К ГОСТ 333-59 | Роликовый конический | дог. | |
| 2 | 32207 ГОСТ 8328—57 | Роликовый с цилиндрическими роликами | дог. | |
| 28 | 23 11К ГОСТ 8328-57 | Роликовый с цилиндрическими роликами | дог. | |
| 13 | 2213 ГОСТ 8328-57 | Роликовый с цилиндрическими роликами | дог. | |
| 19 | 46213-Л ГОСТ 831—62 | Шариковый радиальноупорный | дог. | |
| 23 | 109 ГОСТ 8338---57 | Шариковый радиальный | дог. | |
| 6 | 6020 (нестандартный) | Шариковый радиальноупорный | дог. | |
| 27 | 60202 ГОСТ 7242—54 | Шариковый радиальный | дог. | |
| 16 | 312 ГОСТ 8338—57 | Шариковый радиальный | дог. | |
| 18 | 311 ГОСТ 8338-57 | Шариковый радиальный | дог. | |
| 20 | 308 ГОСТ 8338—57 | Шариковый радиальный | дог. | |
| 1 | 220 ГОСТ 8338—57 | Шариковый радиальный | дог. | |
| 8 | 215 ГОСТ 8338—57 | Шариковый радиальный | дог. | |
| 22 | 214 ГОСТ 8338—57 | Шариковый радиальный | дог. | |
| 15 | 213 ГОСТ 8338—57 | Шариковый радиальный | дог. | |
| 5 | 212 ГОСТ 8338-^-57 | Шариковый радиальный | дог. | |
| 12 | 211 ГОСТ 8338-57 | Шариковый радиальный | дог. | |
| 7 | 205 ГОСТ 8338-57 | Шариковый радиальный | дог. | |
| 10 | 204 ГОСТ 8338—57 | Шариковый радиальный | дог. | |
| 26 | 201 ГОСТ 8338~-57 | Шариковый радиальный | дог. |
