Системы смазки

ООО "Трейдтрансгрупп" предлагает запчасти для спецтехники Т-170 Б10
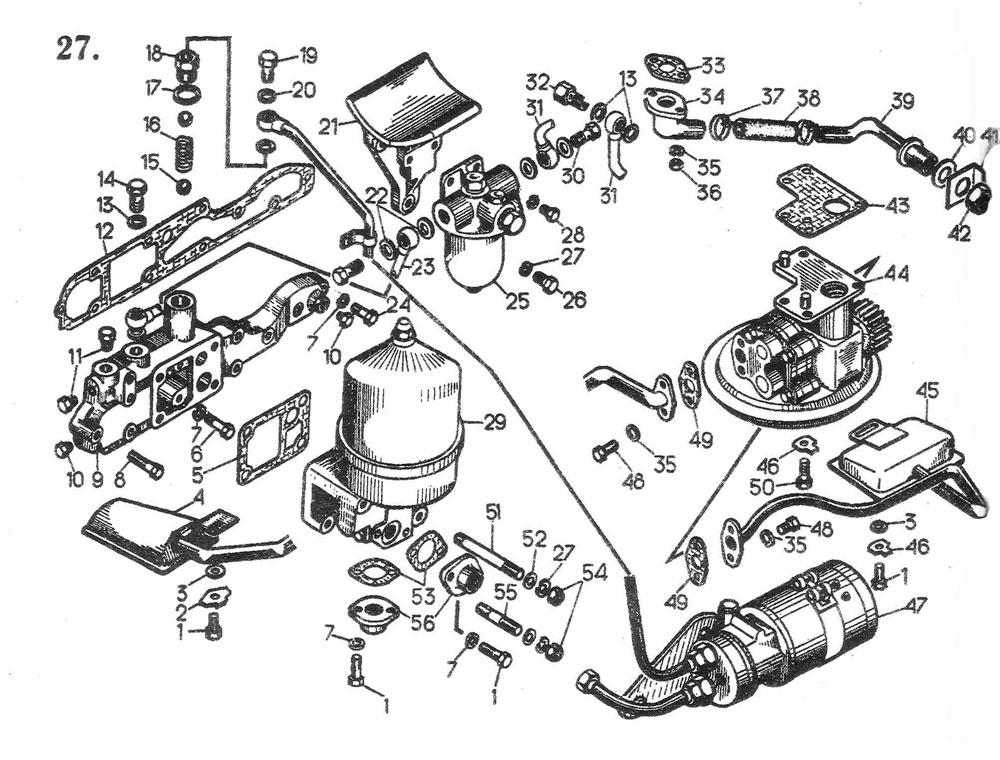
| Позиция на рисунке | Артикул | Наименование | Цена | |
|---|---|---|---|---|
| 11 | 379 | — | дог. | |
| 17 | 261164 | Кольцо | дог. | |
| 52 | 3135 | Шайба | дог. | |
| 2 | 3198 | Шайба стопорная | дог. | |
| 46 | 3137 | Шайба стопорная | дог. | |
| 44 | 29-09-124СП | Насос масляный | дог. | |
| 42 | 3069 | — | дог. | |
| 49 | 40751 | Прокладка | дог. | |
| — | 51-09-6СП | Система смазки дизеля с электростартерной системой пуска | дог. | |
| 31 | 61-09-186СП | Труба | дог. | |
| 4 | 51-09-162СП | — | дог. | |
| 45 | 51-09-149СП | Маслоприемник | дог. | |
| 39 | 5J-09-130Cn | — | дог. | |
| 34 | 51-09-129СП | Труба | дог. | |
| — | 51-09-8СП | Система смазки дизеля болотоходного трактора с электростартерной системой пуска | дог. | |
| — | 51-09-5СП | Система смазки дизеля болото-ходиого трактора с пусковым двигателем | дог. | |
| — | 51-09-2СП | Система смазки дизеля с пусковым двигателем | дог. | |
| 9 | 16-09-135 | Плита маслораспределительная | дог. | |
| 9 | 51-09-140 | Плита маслораспределительная | дог. | |
| 21 | 51-09-124 | Кронштейн | дог. | |
| 66 | 16-09-139 | Фланец | дог. | |
| 23 | 51-09-187СП | — | дог. | |
| 18 | 51-09-108 | Седло клапана | дог. | |
| 41 | 3173 | Пластина стопорная | дог. | |
| 10 | 375 | Пробка | дог. | |
| 16 | 38319 | Пружина | дог. | |
| 19 | 411143 | Штуцер | дог. | |
| 38 | 46849 | Рукав | дог. | |
| 32 | 700-41-3364 | Переходник | дог. | |
| 37 | 700-41-2235-10 СП | Хомут | дог. | |
| 43 | 700-40-7194 | — | дог. | |
| 12 | 700-40-6944 | — | дог. | |
| 33 | 700-40-5650 | Прокладка | дог. | |
| 53 | 700-40-4892 | — | дог. | |
| 5 | 700-40-4746 | Прокладка | дог. | |
| 55 | 700 29-2353 | — | дог. | |
| 51 | 700 29-2233 | Шпилька | дог. |
