СИСТЕМА ТОПЛИВНАЯ ТМ140-05-сб1 146

Купить запчасти для СИСТЕМЫ ТОПЛИВА ТМ140-05-сб1 146 вы можете в компании ООО «ТрейдТрансГрупп». Запчасть подходит для спецтехники ТМ 140 и обеспечивает стабильную работу даже при высокой нагрузке. Предлагаем качественные комплектующие, помощь в подборе и доставку по всей России.
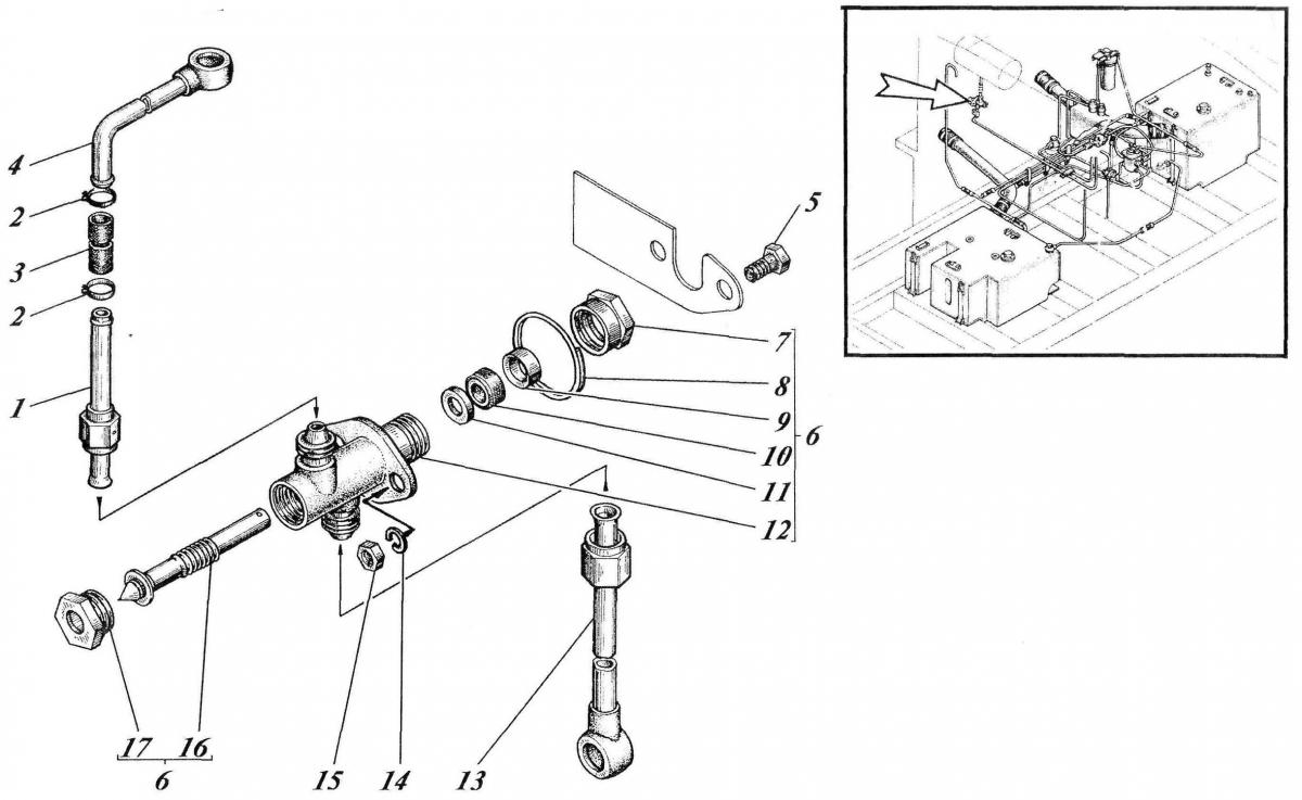
| Позиция на рисунке | Артикул | Наименование | Цена | |
|---|---|---|---|---|
| 3 | 40У8-13 | Шланг соединительный L=(70±2,5)mm | дог. | |
| 6 | ТМ140-05-сб141 | Кран | дог. | |
| 7 | 240-01-26 | Гайка накидная | дог. | |
| 8 | 237-69-13 | Кольцо | дог. | |
| 9 | 240-01-25 | Втулка поджимная | дог. | |
| 10 | 730-05-460 | Прокладка | дог. | |
| 11 | 240-01-23 | Шайба | дог. | |
| 12 | 765-05-692 | Корпус | дог. | |
| 16 | 765-05-693 | Игла | дог. | |
| 17 | ТМ140-05-97 | Пробка | дог. | |
| 2 | Н8-(11-32) | Зажим червячный (Murray) | дог. | |
| 1 | ТМ140-05-сб 132-02 | Труба | дог. | |
| 4 | ТМ140-05-сб134 | Труба | дог. |
