СИСТЕМА ТОПЛИВНАЯ ТМ140-05-сб1 143

Купить запчасти для СИСТЕМЫ ТОПЛИВА ТМ140-05-сб1 143 вы можете в компании ООО «ТрейдТрансГрупп». Запчасть подходит для спецтехники ТМ 140 и обеспечивает стабильную работу даже при высокой нагрузке. Предлагаем качественные комплектующие, помощь в подборе и доставку по всей России.
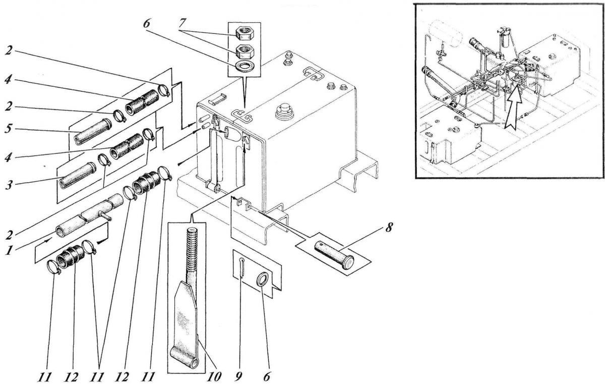
| Позиция на рисунке | Артикул | Наименование | Цена | |
|---|---|---|---|---|
| 8 | 700-47-74 | Валик с головкой | дог. | |
| 12 | 765-05-726 | Патрубок | дог. | |
| 2 | Murray Н8( 11-23) | Зажим червячный | дог. | |
| 1 | ТМ140-05-сб 124-01 | Труба | дог. | |
| 5 | ТМ140-05-242 | Труба | дог. | |
| 11 | Murray Н52(71-95) | Зажим червячный | дог. | |
| 10 | ТМ140-05-сб 119-01 | Лента | дог. |
