СИСТЕМА ТОПЛИВНАЯ ТМ140-05-сб1 141

Купить запчасти для СИСТЕМЫ ТОПЛИВА ТМ140-05-сб1 141 вы можете в компании ООО «ТрейдТрансГрупп». Запчасть подходит для спецтехники ТМ 140 и обеспечивает стабильную работу даже при высокой нагрузке. Предлагаем качественные комплектующие, помощь в подборе и доставку по всей России.
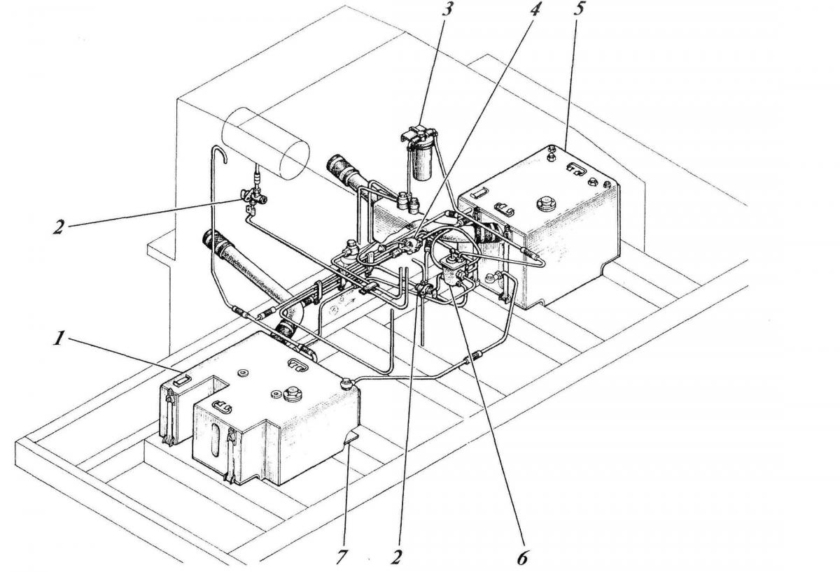
| Позиция на рисунке | Артикул | Наименование | Цена | |
|---|---|---|---|---|
| 1 | ТМ140-05-сб116 | Бак | дог. | |
| 5 | ТМ140-05-сб118 | Бак | дог. | |
| 7 | ТМ140-05-203 | Прокладка | дог. |
