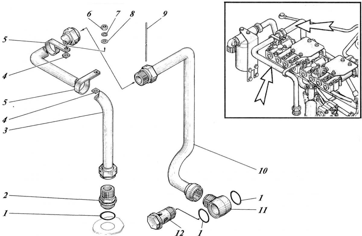
СИСТЕМА СМАЗКИ И УПРАВЛЕНИЯ ТМ140-22-сб1 314

Купить запчасти для СИСТЕМЫ СМАЗКИ И УПРАВЛЕНИЯ ТМ140-22-сб1 314 вы можете в компании ООО «ТрейдТрансГрупп». Запчасть подходит для спецтехники ТМ 140 и обеспечивает стабильную работу даже при высокой нагрузке. Предлагаем качественные комплектующие, помощь в подборе и доставку по всей России.
| Позиция на рисунке | Артикул | Наименование | Цена | |
|---|---|---|---|---|
| 4 | 765-06-458 | Прокладка | дог. | |
| 1 | 765-78-1169 | Кольцо | дог. | |
| 2 | ДП4.800-22-82 | Штуцер | дог. | |
| 3 | ДП4.800-22-сб122 | Труба | дог. | |
| 5 | 672-54-39-02 | Хомут | дог. | |
| 10 | ДП4.800-22-сб110 | Труба | дог. | |
| 11 | 691-25-365 | Штуцер | дог. | |
| 12 | 691-25-364 | Болт | дог. |
