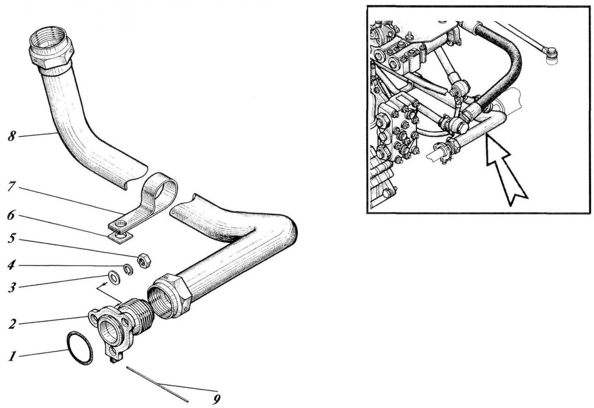
СИСТЕМА СМАЗКИ И УПРАВЛЕНИЯ ТМ140-22-сб1 313

Купить запчасти для СИСТЕМЫ СМАЗКИ И УПРАВЛЕНИЯ ТМ140-22-сб1 313 вы можете в компании ООО «ТрейдТрансГрупп». Запчасть подходит для спецтехники ТМ 140 и обеспечивает стабильную работу даже при высокой нагрузке. Предлагаем качественные комплектующие, помощь в подборе и доставку по всей России.
| Позиция на рисунке | Артикул | Наименование | Цена | |
|---|---|---|---|---|
| 1 | 760-08-928-К | Кольцо | дог. | |
| 2 | ТМ140-22-сб114 | Патрубок | дог. | |
| 7 | 672-54-33-03 | Хомут | дог. | |
| 8 | ТМ140-22-сб 113-01 | Труба | дог. |
