СИСТЕМА СМАЗКИ И УПРАВЛЕНИЯ ТМ140-22-сб1 308

Купить запчасти для СИСТЕМЫ СМАЗКИ И УПРАВЛЕНИЯ ТМ140-22-сб1 308 вы можете в компании ООО «ТрейдТрансГрупп». Запчасть подходит для спецтехники ТМ 140 и обеспечивает стабильную работу даже при высокой нагрузке. Предлагаем качественные комплектующие, помощь в подборе и доставку по всей России.
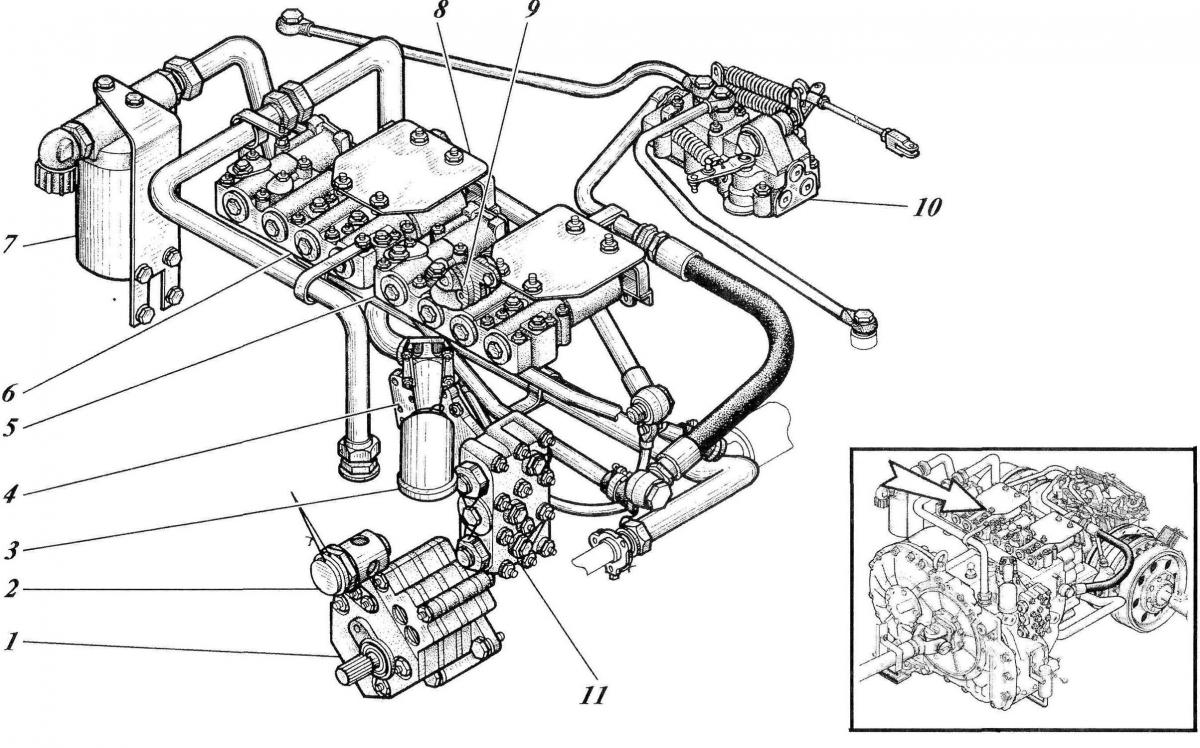
| Позиция на рисунке | Артикул | Наименование | Цена | |
|---|---|---|---|---|
| 1 | ДП4.800-22-сб126 или | Блок насосов | дог. | |
| - | ДП4.800-22-сб104 | Блок насосов | дог. | |
| 2 | ДП4.800-22-сб116 | Клапан | дог. | |
| 3 | 688-22-сб323 | Фильтр гидроциклонный | дог. | |
| 4 | ДП4.800-22-сб118 | Насос бортовой | дог. | |
| 5 | ДП4.800-22-сб102 | Коробка управления | дог. | |
| 6 | ДП4.800-22-сб101 | Коробка управления | дог. | |
| 7 | ДП4.800-22-сб132 | Фильтр | дог. | |
| 9 | ДП4.800-22-сб10З | Насос | дог. | |
| 11 | ДП4.800-22-сб100 | Коробка клапанная | дог. | |
| 10 | ТМ140-22-сб100 | Коробка золотниковая | дог. |
