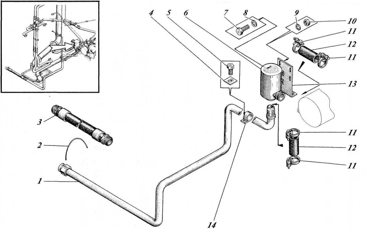
СИСТЕМА ПОДОГРЕВА ТМ140-06-сб1 203

Купить запчасти для СИСТЕМЫ ПОДОГРЕВА ТМ140-06-сб1 203 вы можете в компании ООО «ТрейдТрансГрупп». Запчасть подходит для спецтехники ТМ 140 и обеспечивает стабильную работу даже при высокой нагрузке. Предлагаем качественные комплектующие, помощь в подборе и доставку по всей России.
| Позиция на рисунке | Артикул | Наименование | Цена | |
|---|---|---|---|---|
| 1 | ТМ140-06-С6161 | Труба | дог. | |
| 3 | ТМ140-08-С6167 | Шланг | дог. | |
| 6 | 4573753747 34.3730 | Электродвигатель с насосом | дог. | |
| 11 | 672-54-С62-11 | Хомут универсальный | дог. | |
| 14 | 672-54-09-25 | Хомут | дог. | |
| 13 | ТМ140-06-С6130 | Кронштейн | дог. |
