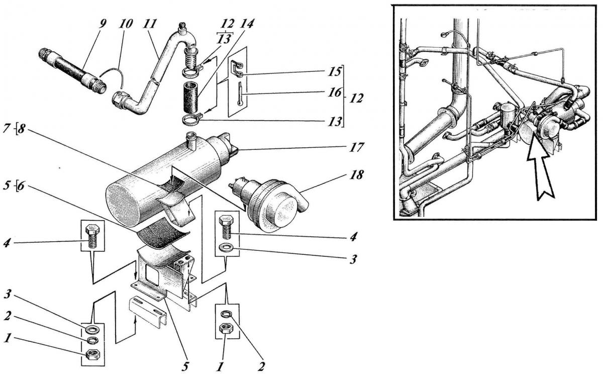
СИСТЕМА ПОДОГРЕВА ТМ140-06-сб1 199

Купить запчасти для СИСТЕМЫ ПОДОГРЕВА ТМ140-06-сб1 199 вы можете в компании ООО «ТрейдТрансГрупп». Запчасть подходит для спецтехники ТМ 140 и обеспечивает стабильную работу даже при высокой нагрузке. Предлагаем качественные комплектующие, помощь в подборе и доставку по всей России.
| Позиция на рисунке | Артикул | Наименование | Цена | |
|---|---|---|---|---|
| 14 | 40У32-13 | Рукава прокладочные | дог. | |
| 17 | ПЖД24Г-1015010-10 | Котел подогревателя | дог. | |
| 18 | ПЖД24Д-1015200-10 | Агрегат насосный | дог. | |
| 12 | 672-54-сб2-11 | Хомут универсальный | дог. | |
| 4 | 7796- M8-6gx25.46.029 | Болт | дог. | |
| 6 | 662-06-36 | Прокладка | дог. | |
| 7 | ТМ140-06-сб129 | Кронштейн | дог. | |
| 5 | ТМ140-06-сб128 | Кронштейн | дог. | |
| 8 | ТМ140-06-75 | Прокладка | дог. | |
| 13 | 672-54-6 | Лента | дог. | |
| 11 | ТМ140-06-сб160 | Труба | дог. |
