СИСТЕМА ПОДОГРЕВА ТМ140-06-сб1 198

Купить запчасти для СИСТЕМЫ ПОДОГРЕВА ТМ140-06-сб1 198 вы можете в компании ООО «ТрейдТрансГрупп». Запчасть подходит для спецтехники ТМ 140 и обеспечивает стабильную работу даже при высокой нагрузке. Предлагаем качественные комплектующие, помощь в подборе и доставку по всей России.
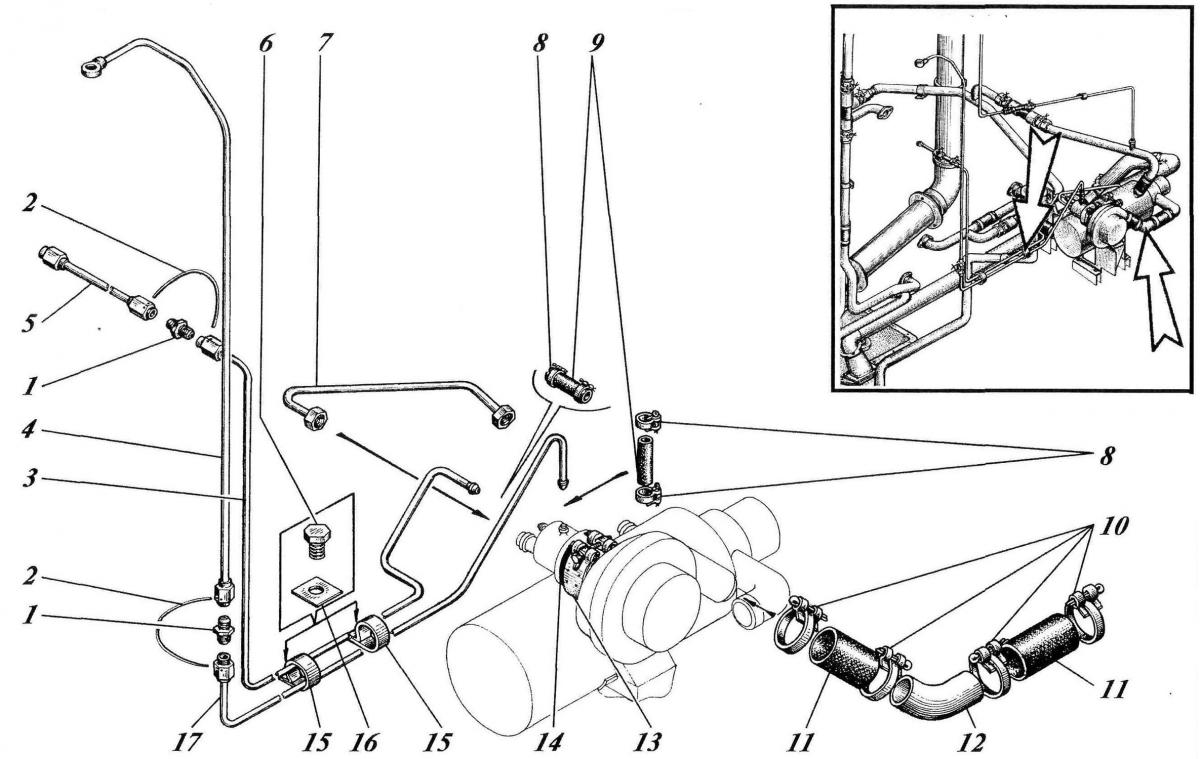
| Позиция на рисунке | Артикул | Наименование | Цена | |
|---|---|---|---|---|
| 8 | 672-54-сбЗ | Хомут | дог. | |
| 9 | 40У6-13 | Рукава прокладочные | дог. | |
| 1 | 765-78-573 | Штуцер | дог. | |
| 3 | ТМ140-06-сб108 | Труба | дог. | |
| 5 | ТМ140-06-сб126 | Труба | дог. | |
| 4 | ТМ140-06-сб140 | Труба | дог. | |
| 7 | ПЖД24Б-1015130-10 | Трубка соединительная | дог. | |
| 13 | 662-06-сб110 | Лента | дог. | |
| 12 | ТМ140-06-сб133 | Труба | дог. | |
| 17 | ТМ140-06-сб 108-01 | Труба | дог. |
