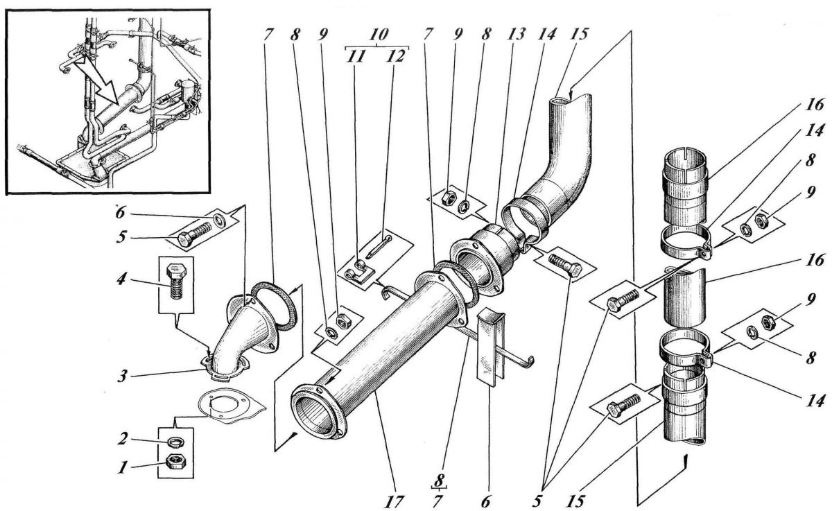
СИСТЕМА ПОДОГРЕВА ТМ140-06-сб1 195

Купить запчасти для СИСТЕМЫ ПОДОГРЕВА ТМ140-06-сб1 195 вы можете в компании ООО «ТрейдТрансГрупп». Запчасть подходит для спецтехники ТМ 140 и обеспечивает стабильную работу даже при высокой нагрузке. Предлагаем качественные комплектующие, помощь в подборе и доставку по всей России.
| Позиция на рисунке | Артикул | Наименование | Цена | |
|---|---|---|---|---|
| 6 | 11371 10.01.0118 | Шайба | дог. | |
| 5 | 7798 M10-6gx40.46.019 | Болт | дог. | |
| 3 | ТМ140-06-сб151 | Труба | дог. | |
| 7 | ТМ140-10-16 | Прокладка | дог. | |
| 10 | 672-54-сб2-17 | Хомут | дог. | |
| 13 | ТМ140-06-сб149 | Труба | дог. | |
| 14 | ТМ140-06-156 | Хомут | дог. | |
| 15 | ТМ140-06-сб150 | Труба | дог. | |
| 16 | ТМ140-06-сб153 | Труба | дог. | |
| 17 | ТМ140-10-сб119 | Рукав гибкий | дог. |
