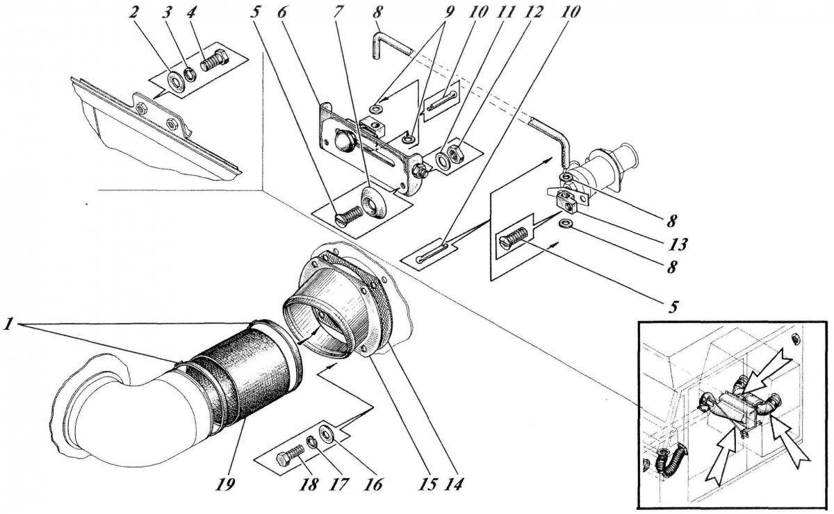
СИСТЕМА ОТОПЛЕНИЯ ТМ140-71-сб1 175

Купить запчасти для СИСТЕМЫ ОТОПЛЕНИЯ ТМ140-71-сб1 175 вы можете в компании ООО «ТрейдТрансГрупп». Запчасть подходит для спецтехники ТМ 140 и обеспечивает стабильную работу даже при высокой нагрузке. Предлагаем качественные комплектующие, помощь в подборе и доставку по всей России.
| Позиция на рисунке | Артикул | Наименование | Цена | |
|---|---|---|---|---|
| 18 | 7798 M6-6gxl4.46.019 | Болт | дог. | |
| 2 | 6958 А8.01.0118 | Шайба | дог. | |
| 7 | ТМ140-71-сб 123 | Блок управления | дог. | |
| 5 | 17475 M4-6gxl6.48.016 | Винт | дог. | |
| 6 | ТМ1-20-82-64 | Шайба | дог. | |
| 8 | ТМ 140-71-61 | Тяга | дог. | |
| 15 | ТМ140-71-сб134 | Патрубок | дог. | |
| 14 | ТМ 140-71-95 | Прокладка | дог. | |
| 13 | ТМ 140-71-62 | Серьга | дог. | |
| 19 | ТМ 140-71-92 | Шланг | дог. |
