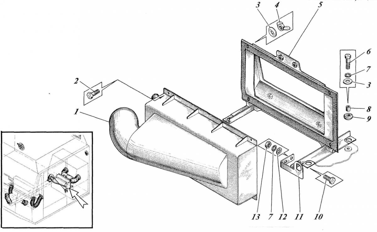
СИСТЕМА ОТОПЛЕНИЯ ТМ140-71-сб1 170

Купить запчасти для СИСТЕМЫ ОТОПЛЕНИЯ ТМ140-71-сб1 170 вы можете в компании ООО «ТрейдТрансГрупп». Запчасть подходит для спецтехники ТМ 140 и обеспечивает стабильную работу даже при высокой нагрузке. Предлагаем качественные комплектующие, помощь в подборе и доставку по всей России.
| Позиция на рисунке | Артикул | Наименование | Цена | |
|---|---|---|---|---|
| 2 | 7798 M6-6gx25.16.019 | Болт | дог. | |
| 3 | 6958'А6.01.0118 или | Шайба | дог. | |
| 4 | 3032 М6.6Н.35Л-1.019 | Гайка | дог. | |
| 1 | ТМ140-71-сб112 | Радиатор в сборе | дог. | |
| 5 | ТМ140-71-сб110 | Опора | дог. | |
| 11 | ТМ140-08-70 | Кронштейн | дог. |
