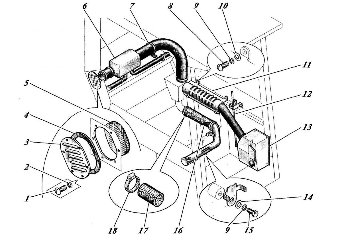
СИСТЕМА ОТОПЛЕНИЯ 533Н-84-сб1 159

ООО "Трейдтрансгрупп" предлагает запчасти для спецтехники МКСМ
| Позиция на рисунке | Артикул | Наименование | Цена | |
|---|---|---|---|---|
| 3 | 533Н-84-4 | Крышка | дог. | |
| 4 | 533Н-84-20 | Прокладка | дог. | |
| 5 | 533Н-84-сбЮ7 | Фильтр | дог. | |
| 6 | A1RTRON1C-D2-12V | Отопитель воздушный | дог. | |
| 7 | 22 1000 50 02 00 | Хомут с опорой | дог. | |
| 8 | 1491 M6-6gx 12.66.019 | Винт | дог. | |
| 11 | 533Н-84-28 | Кожух | дог. | |
| 12 | 533Н-84-сб 108 | Оболочка | дог. | |
| 13 | 533Н-84-сб 106 | Кожух с уплотнением | дог. | |
| 14 | 10450 А.6.01.0118 или | Шайба | дог. | |
| 14 | 10450 А.6.02.0118 | Шайба | дог. | |
| 15 | 7798 М6-6х 14.46.019 | Болт | дог. | |
| 16 | РТГ У50х450 | Рукав | дог. | |
| 17 | 533Н-84-13 | Чехол | дог. | |
| 18 | MURRAY H32(40-64) или | Зажим червячный | дог. | |
| 18 | 78.00-02 | Хомут | дог. |
