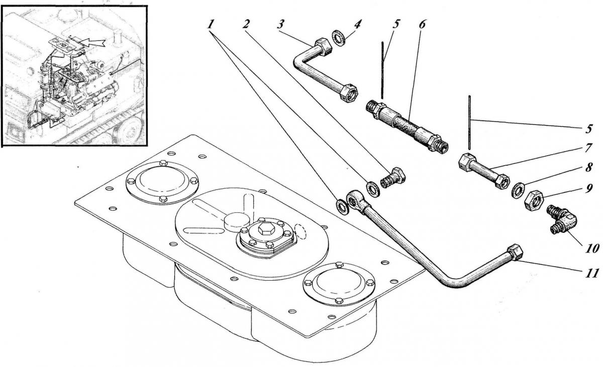
СИСТЕМА ОХЛАЖДЕНИЯ ТМ140-08-сб1 213

Купить запчасти для СИСТЕМЫ ОХЛАЖДЕНИЯ ТМ140-08-сб1 213 вы можете в компании ООО «ТрейдТрансГрупп». Запчасть подходит для спецтехники ТМ 140 и обеспечивает стабильную работу даже при высокой нагрузке. Предлагаем качественные комплектующие, помощь в подборе и доставку по всей России.
| Позиция на рисунке | Артикул | Наименование | Цена | |
|---|---|---|---|---|
| 9 | 5915 М16х1,5-6Н.6.019 | Гайка | дог. | |
| 4 | 700-40-260-13 | Прокладка | дог. | |
| 8 | 700-40-260-10 | Прокладка | дог. | |
| 1 | 662-08-120 | Прокладка | дог. | |
| 3 | ТМ140-08-сб145 | Труба | дог. | |
| 6 | 675-08-сб130 | Шланг | дог. | |
| 7 | 765-08-сб422 | Труба | дог. | |
| 10 | 765-08-613-01 | Штуцер | дог. | |
| 11 | ТМ140-08-сб146 | Труба | дог. |
