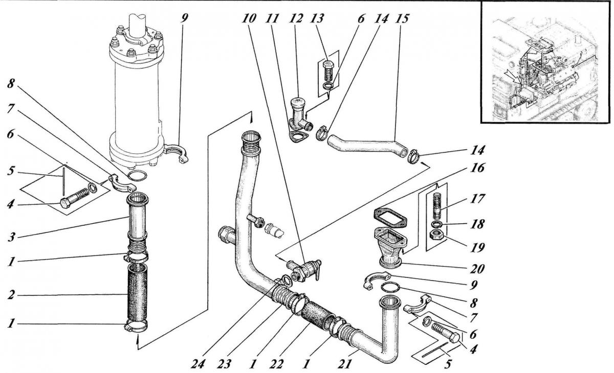
СИСТЕМА ОХЛАЖДЕНИЯ ТМ140-08-сб1 209

Купить запчасти для СИСТЕМЫ ОХЛАЖДЕНИЯ ТМ140-08-сб1 209 вы можете в компании ООО «ТрейдТрансГрупп». Запчасть подходит для спецтехники ТМ 140 и обеспечивает стабильную работу даже при высокой нагрузке. Предлагаем качественные комплектующие, помощь в подборе и доставку по всей России.
| Позиция на рисунке | Артикул | Наименование | Цена | |
|---|---|---|---|---|
| 24 | 765-05-1009 | Прокладка | дог. | |
| 14 | H22SS MURRAY | Зажим червячный | дог. | |
| 7 | 688-03-148 | Хомут | дог. | |
| 8 | 765-12-731К | Кольцо уплотнительное | дог. | |
| 4 | 7796 3M8-6gx50.46.019 | Болт | дог. | |
| 10 | 662-08-сб127 | Кран | дог. | |
| 11 | 765-08-582 | Прокладка | дог. | |
| 12 | 765-08-сб305 | Клапан | дог. | |
| 13 | 7796 M8-6gxl6.48.019 | Болт | дог. | |
| 16 | 662-08-199 | Прокладка | дог. | |
| 20 | ТМ140-08-сб129 | Труба | дог. | |
| 21 | 688-03-сб340 | Труба | дог. | |
| 23 | ТМ140-08-сб164 | Труба | дог. |
