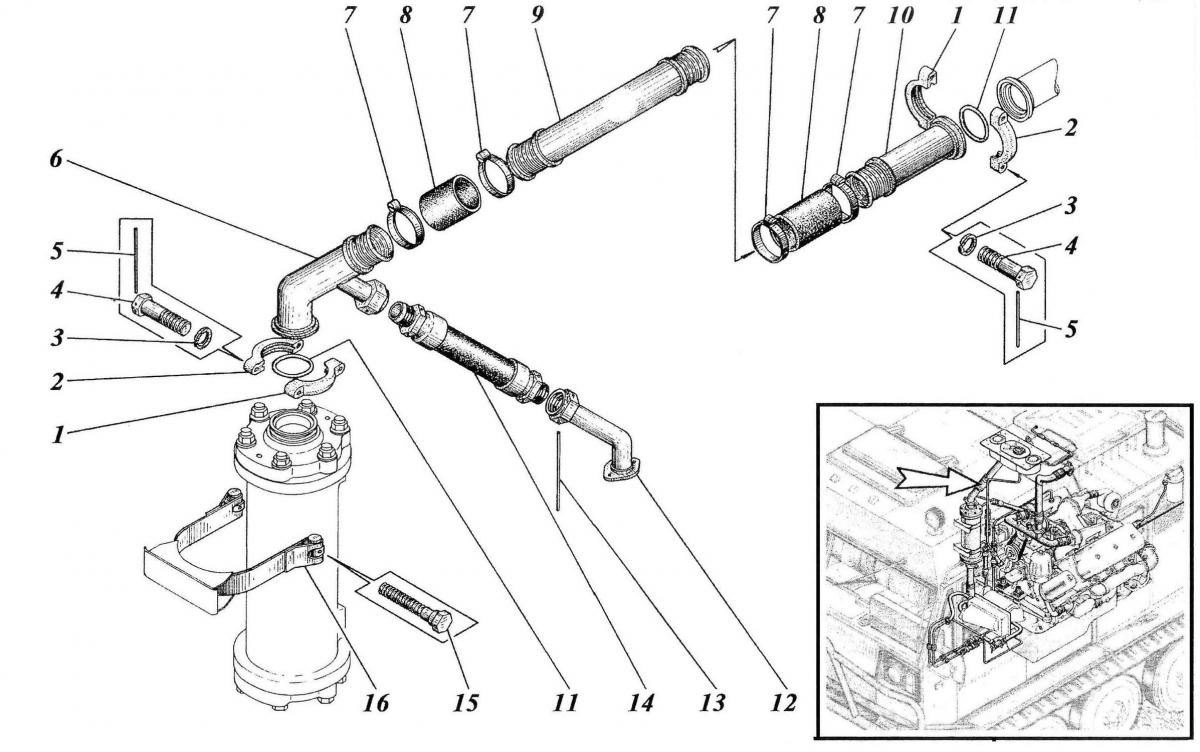
СИСТЕМА ОХЛАЖДЕНИЯ ТМ140-08-сб1 208

Купить запчасти для СИСТЕМЫ ОХЛАЖДЕНИЯ ТМ140-08-сб1 208 вы можете в компании ООО «ТрейдТрансГрупп». Запчасть подходит для спецтехники ТМ 140 и обеспечивает стабильную работу даже при высокой нагрузке. Предлагаем качественные комплектующие, помощь в подборе и доставку по всей России.
| Позиция на рисунке | Артикул | Наименование | Цена | |
|---|---|---|---|---|
| 13 | 792 КО 1.0 | Проволока L=(l 80±2)мм | дог. | |
| 15 | 701-141-4 | Нажимной болт | дог. | |
| 4 | 7798.3M8-6gx50.46.019 | Болт | дог. | |
| 5 | 792 КО 1.0 L=250±3mm | Проволока | дог. | |
| 7 | Н 12 SS MURRAY | Зажим червячный | дог. | |
| 6 | ТМ-140-08-сб135 | Труба | дог. | |
| 9 | ТМ140-08-сб128 | Труба | дог. | |
| 14 | ТМ140-08-сб166 | Шланг | дог. | |
| 16 | ТМ140-03-сб109 | Лента | дог. |
