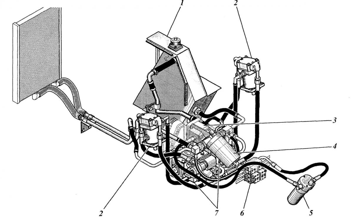
СИСТЕМА ГИДРАВЛИЧЕСКАЯ ХОДОВОЙ ЧАСТИ 533Н-19-сб1 244

ООО "Трейдтрансгрупп" предлагает запчасти для спецтехники МКСМ
| Позиция на рисунке | Артикул | Наименование | Цена | |
|---|---|---|---|---|
| 5 | 533-9-62-19-1245-1К | Фильтр напорный | дог. | |
| 4 | 533-9-62-19-895-2К | Фильтр | дог. | |
| 2 | МПЗЗШ или | Гидромотор | дог. | |
| 2 | МПА-33-С2-Д1-35-УХЛ2 | Гидромотор | дог. | |
| 6 | РСП 80.16-2.311 -УХЛ МКРН.306154.007-02 | Распределитель | дог. | |
| 7 | НПЗЗЛШМ или | Гидронасос | дог. | |
| 7 | НПА-3 ЗР-Л-С2-Д1 -12-Е4-УХЛ2 | Гидронасос | дог. |
