СИСТЕМА ГИДРАВЛИЧЕСКАЯ 533Н-19-сб1 224

ООО "Трейдтрансгрупп" предлагает запчасти для спецтехники МКСМ
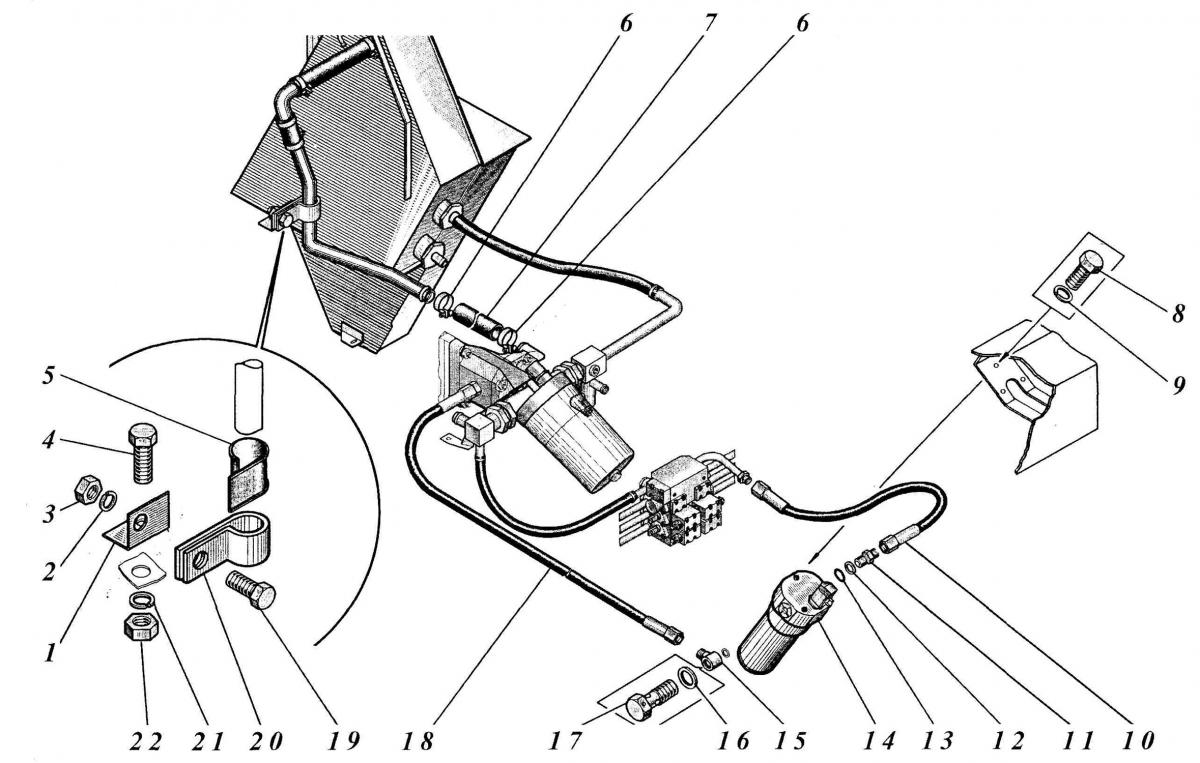
| Позиция на рисунке | Артикул | Наименование | Цена | |
|---|---|---|---|---|
| 19 | 7798M6-6gxl6.46.019 | Болт | дог. | |
| 15 | 533-0-62-19-1173-1К | Штуцер | дог. | |
| 17 | 533-0-62-19-1241-1К | Болт | дог. | |
| 10 | 533-9-62-19-980-1К | Рукав | дог. | |
| 1 | 533Н-19-7 | Кронштейн | дог. | |
| 4 | 7796M8-6gxl8.46.019 | Болт | дог. | |
| 8 | 7796M10-6gx25.46.019 | Болт | дог. | |
| 12 | 533-0-62-19-1127-1К | Кольцо | дог. | |
| 20 | 672-54-9-25 | Хомут | дог. |
