СИЛОВОЙ БЛОК 533-9-62-08-000-1К 64

Купить запчасти для СИЛОВОГО БЛОКА 533-9-62-08-000-1К 64 вы можете в компании ООО «ТрейдТрансГрупп». Запчасть подходит для спецтехники МКСМ и обеспечивает стабильную работу даже при высокой нагрузке. Предлагаем качественные комплектующие, помощь в подборе и доставку по всей России.
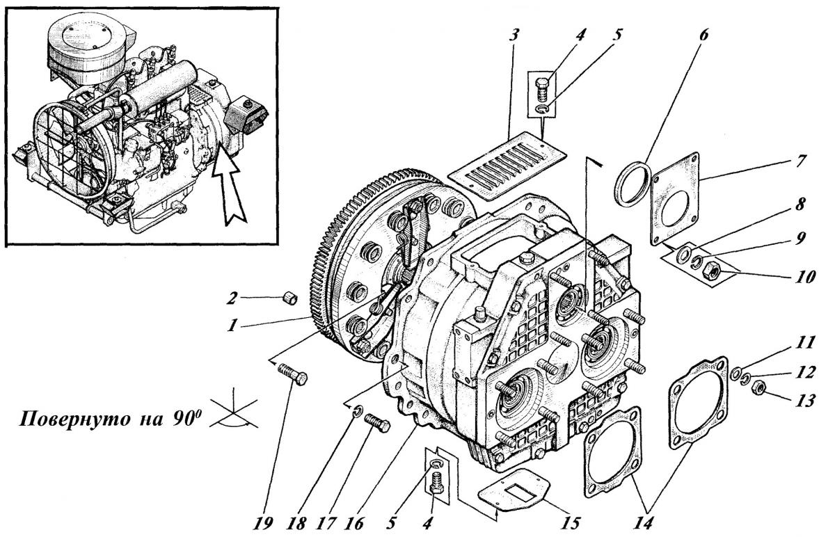
| Позиция на рисунке | Артикул | Наименование | Цена | |
|---|---|---|---|---|
| 1 | 533-9-62-20-001-1К | Сцепление | дог. | |
| 2 | 4.173.1-М-0-0-31-1К | Втулка центрирующая | дог. | |
| 3 | 533-0-62-20-041-1К | Решетка | дог. | |
| 7 | 533-0-62-20-001-1К | Прокладка | дог. | |
| 11 | 11371 14.01.0118 или | Шайба | дог. | |
| 12 | 6402 14ОТ.65Г.05 | Шайба | дог. | |
| 13 | 2526 М14-6Н.04.019 | Гайка | дог. | |
| 14 | 533-0-62-20-002-1К | Прокладка | дог. | |
| 15 | 533-0-62-20-042-1К | Крышка | дог. | |
| 16 | 533-9-62-20-000-1К или | Привод насосов | дог. | |
| 16 | 533-9-62-20-000-1-01К | Привод насосов | дог. | |
| 17 | 7796 M12-6gx35.88.38XC.019 | Болт | дог. | |
| 19 | 7795 M12xl.5-6gx45.88.38XC.019 | Болт | дог. |
