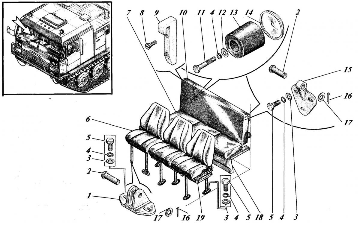
СИДЕНЬЯ ПАССАЖИРСКИЕ ТМ140-60-сб1 63

Купить запчасти для СИДЕНЬЯ ПАССАЖИРСКОГО ТМ140-60-сб1 63 вы можете в компании ООО «ТрейдТрансГрупп». Запчасть подходит для спецтехники ТМ 140 и обеспечивает стабильную работу даже при высокой нагрузке. Предлагаем качественные комплектующие, помощь в подборе и доставку по всей России.
| Позиция на рисунке | Артикул | Наименование | Цена | |
|---|---|---|---|---|
| 1 | ТМ140-60-163 | Кронштейн | дог. | |
| 8 | M6-6gx25.48.019 | Винт | дог. | |
| 9 | ТМ140-60-162 | Кронштейн | дог. | |
| 13 | ТМ 140-60-177 | Упор | дог. | |
| 14 | ТМ 140-60-176 | Чашка | дог. | |
| 15 | ТМ140-60-161 | Проушина | дог. |
