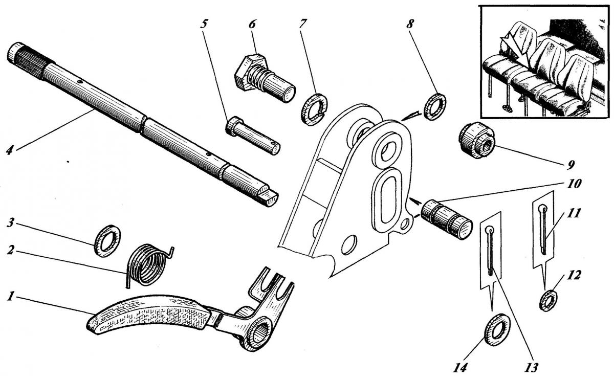
СИДЕНЬЕ ТМ140-60-сб106-01 74

Купить запчасти для СИДЕНЬЯ ТМ140-60-сб106-01 74 вы можете в компании ООО «ТрейдТрансГрупп». Запчасть подходит для спецтехники ТМ 140 и обеспечивает стабильную работу даже при высокой нагрузке. Предлагаем качественные комплектующие, помощь в подборе и доставку по всей России.
| Позиция на рисунке | Артикул | Наименование | Цена | |
|---|---|---|---|---|
| 8 | ТМ140-60-сб126 | Поводок | дог. | |
| 9 | ТМ 140-60-152 | Втулка | дог. |
