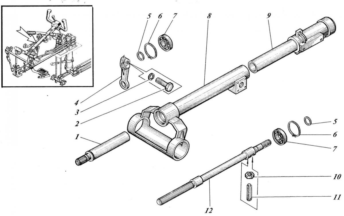
РУЛЕВАЯ КОЛОНКА ТМ140-17-сб128 116

Купить запчасти для РУЛЕВОЙ КОЛОНКИ ТМ140-17-сб128 116 вы можете в компании ООО «ТрейдТрансГрупп». Запчасть подходит для спецтехники ТМ 140 и обеспечивает стабильную работу даже при высокой нагрузке. Предлагаем качественные комплектующие, помощь в подборе и доставку по всей России.
| Позиция на рисунке | Артикул | Наименование | Цена | |
|---|---|---|---|---|
| 1 | ТМ140-17-сб129 | Вал | дог. | |
| 5 | 13942 В20.0118 | Кольцо | дог. | |
| 6 | 13943 В42.0118 | Кольцо | дог. | |
| 7 | 9 592 980 704 | Подшипник | дог. | |
| 11 | 1478 M8-6gx35.22H.019 | Винт | дог. | |
| 4 | ТМ140-17-сб131 | Рычаг | дог. | |
| 8 | ТМ140-17-сб132 | Корпус | дог. | |
| 9 | ТМ140-17-сб134 | Гильза | дог. | |
| 12 | ТМ140-17-84 | Вал | дог. |
