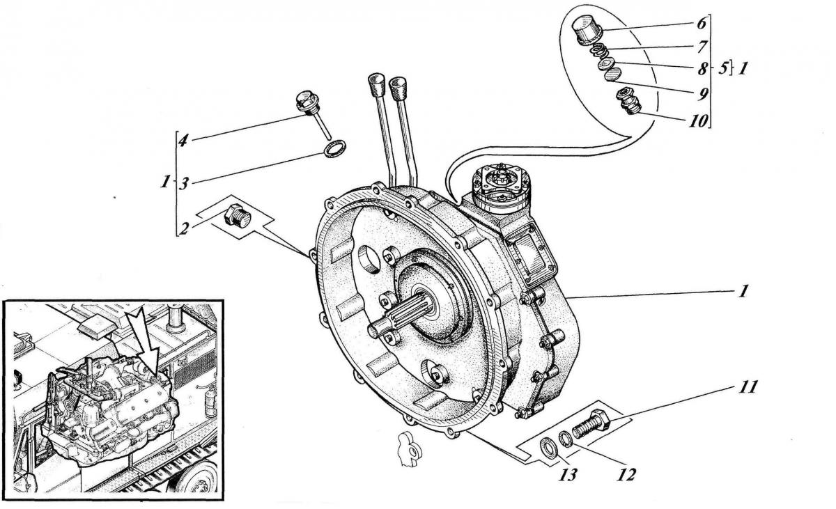
РАЗДАТОЧНЫИ РЕДУКТОР ТМ140-13-сб2 179

Купить запчасти для РАЗДАТОЧНОГО РЕДУКТОРА ТМ140-13-сб2 179 вы можете в компании ООО «ТрейдТрансГрупп». Запчасть подходит для спецтехники ТМ 140 и обеспечивает стабильную работу даже при высокой нагрузке. Предлагаем качественные комплектующие, помощь в подборе и доставку по всей России.
| Позиция на рисунке | Артикул | Наименование | Цена | |
|---|---|---|---|---|
| 5 | 125.72.019 | Сапун | дог. | |
| - | 700-40-260-16 | Прокладка | дог. | |
| 1 | ТМ140-13-сб201 | Раздаточный редуктор | дог. | |
| 6 | 151.72.150 | Колпачок | дог. | |
| 7 | 125.72.153 | Пружина | дог. | |
| 4 | ПМ140-13-сб104 | Щуп | дог. | |
| 8 | 125.72.152 | Прокладка | дог. | |
| 9 | 125.72.151 | Прокладка | дог. | |
| - | 125.72.151К | Прокладка | дог. | |
| 10 | 125.72.149 | Штуцер сапуна | дог. | |
| 11 | 7796 M12-6gx35.46.019 | Болт | дог. |
