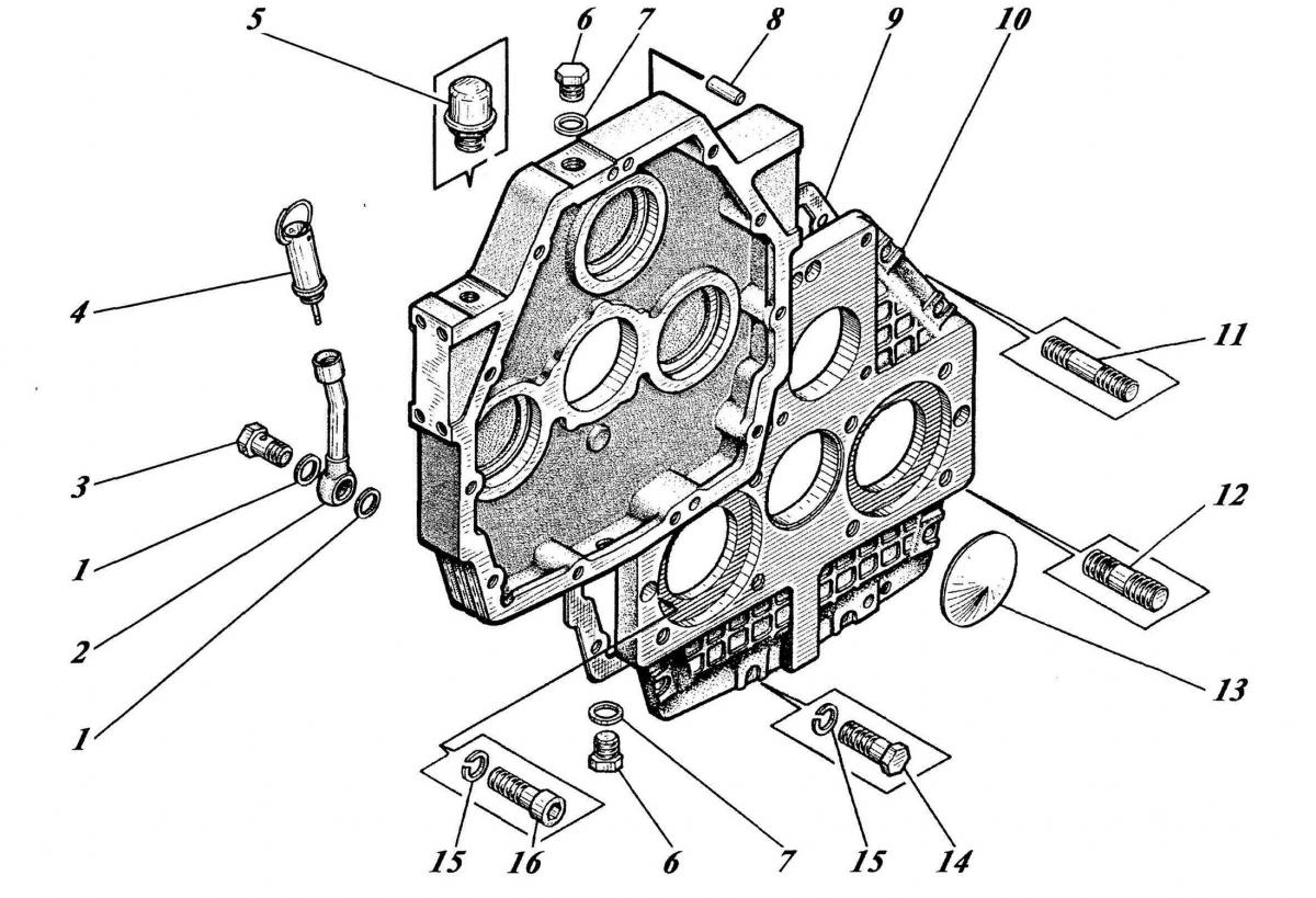
ПРИВОД НАСОСОВ 533Н-20-сб1 107

ООО "Трейдтрансгрупп" предлагает запчасти для спецтехники МКСМ
| Позиция на рисунке | Артикул | Наименование | Цена | |
|---|---|---|---|---|
| 2 | 533-9-62-20-013-1К | Труба | дог. | |
| 9 | 533-0-62-20-043-1К | Прокладка | дог. | |
| 10 | 533-0-62-20-020-1К | Крышка | дог. | |
| 4 | 688-13-сб15 | Щуп | дог. | |
| 8 | 3128 10x36 | Штифт | дог. | |
| 11 | 22036 M10xT,2/6gx45.66.019 | Шпилька | дог. | |
| 12 | 22036 M14xT02/8gx38.88.38XC019 | Шпилька | дог. | |
| 13 | 533-0-62-20-038-1К | Заглушка | дог. | |
| 14 | 7796M10-6gx35.46.019 | Болт | дог. |
