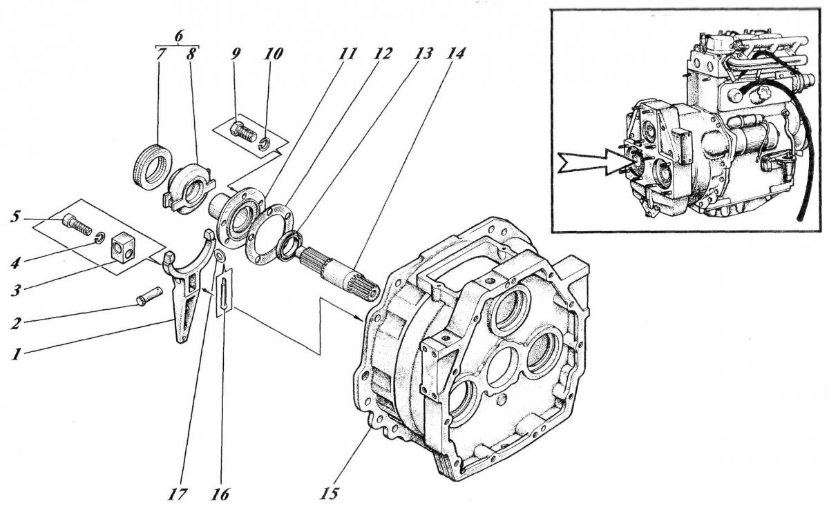
ПРИВОД НАСОСОВ 533-9-62-20-000-1К 67

ООО "Трейдтрансгрупп" предлагает запчасти для спецтехники МКСМ
| Позиция на рисунке | Артикул | Наименование | Цена | |
|---|---|---|---|---|
| 5 | 11738 M10xl.25-6gx35.88.38XC.019 | Винт | дог. | |
| 6 | 533-9-62-20-012-1К | Подшипник | дог. | |
| 7 | 6874 8112 | Подшипник | дог. | |
| 11 | 533-0-62-20-030-1К | Стакан | дог. | |
| 13 | 8752 1.2-30x52-1 | Манжета | дог. | |
| 14 | 533-0-62-20-033-1К | Вал | дог. | |
| 15 | 533-0-62-20-019-1К | Картер | дог. |
