ПОДВЕСКА ПЕРЕДНЯЯ533-9-62-07-070-1К 60

Купить запчасти для ПОДВЕСКИ ПЕРЕДНЕЙ 533-9-62-07-070-1К 60 вы можете в компании ООО «ТрейдТрансГрупп». Запчасть подходит для спецтехники МКСМ и обеспечивает стабильную работу даже при высокой нагрузке. Предлагаем качественные комплектующие, помощь в подборе и доставку по всей России.
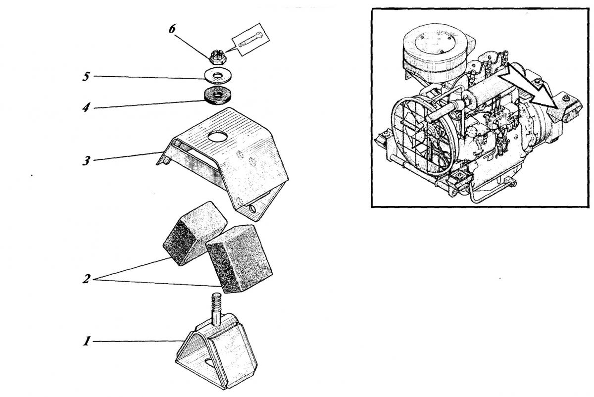
| Позиция на рисунке | Артикул | Наименование | Цена | |
|---|---|---|---|---|
| 1 | 533-9-62-07-075-1К | Кронштейн | дог. | |
| 2 | 533-0-62-07-079-1К или | Амортизатор | дог. | |
| 2 | 533-0-62-07-079-1 | Амортизатор | дог. | |
| 3 | 533-0-62-07-071-1К | Седло | дог. | |
| 6 | 5932 2М12-6Н.6.019 | Гайка | дог. |
