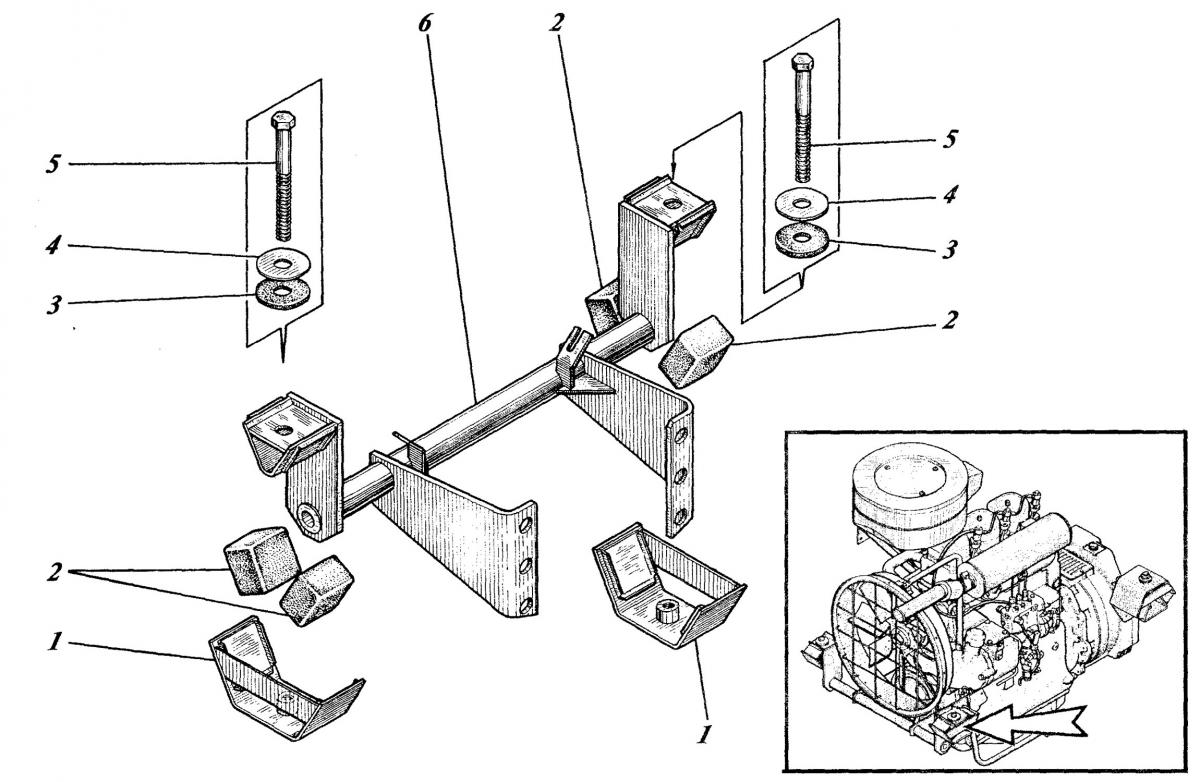
ПОДВЕСКА 533-9-62-07-125-1К 61

Купить запчасти для ПОДВЕСКИ 533-9-62-07-125-1К 61 вы можете в компании ООО «ТрейдТрансГрупп». Запчасть подходит для спецтехники МКСМ и обеспечивает стабильную работу даже при высокой нагрузке. Предлагаем качественные комплектующие, помощь в подборе и доставку по всей России.
| Позиция на рисунке | Артикул | Наименование | Цена | |
|---|---|---|---|---|
| 3 | 533-0-62-07-080-1К | Прокладка | дог. | |
| 4 | 533-0-62-07-081-1К | Шайба | дог. | |
| 1 | 533-9-62-07-119-1К | Консоль | дог. | |
| 2 | 533-0-62-07-126-1К или | Амортизатор | дог. | |
| 2 | 533-0-62-07-119-1 | Амортизатор | дог. | |
| 5 | 533-0-62-07-127-1К | Болт | дог. | |
| 6 | 533-9-62-07-110-1К | Подвеска | дог. |
