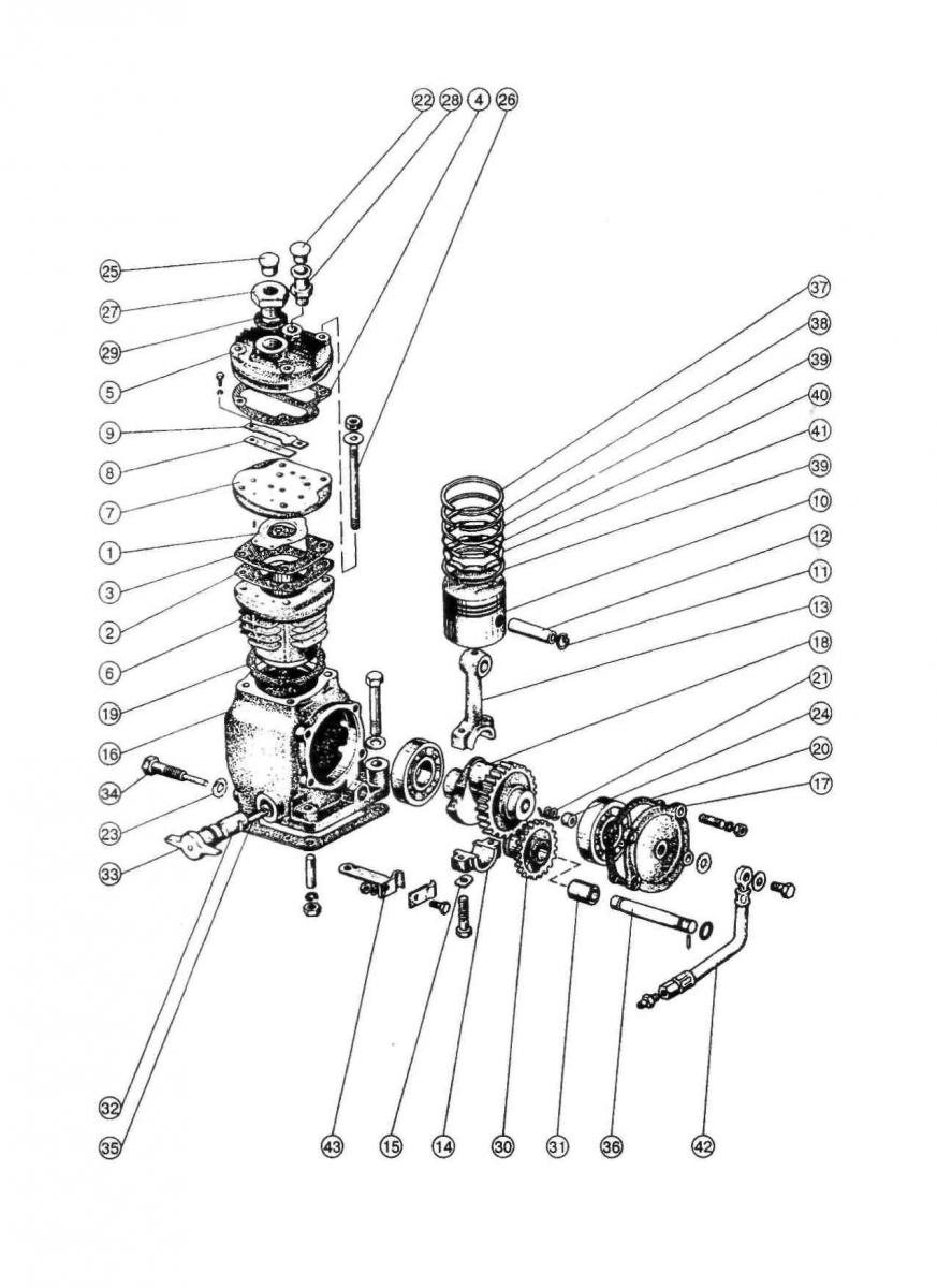
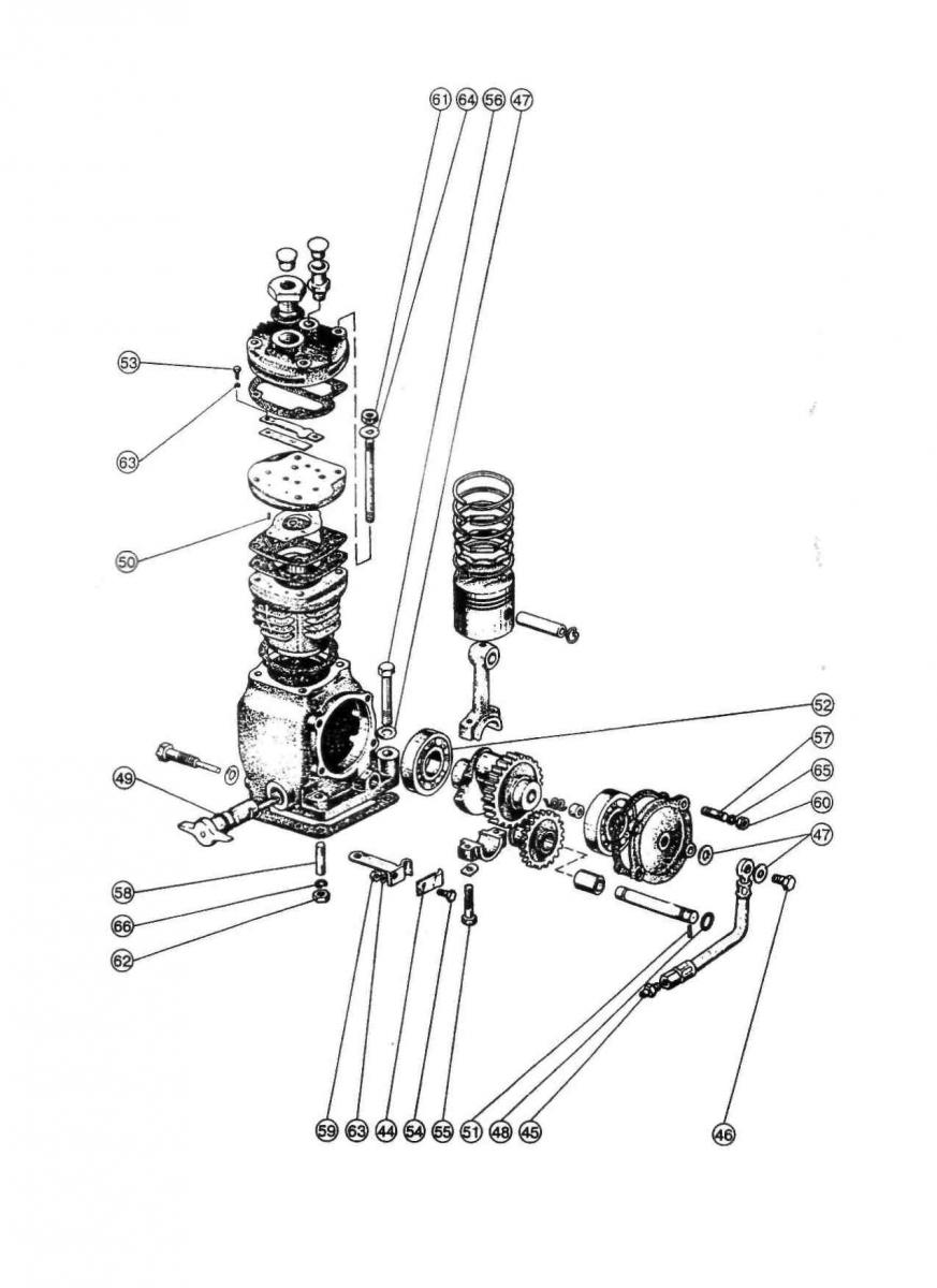
Пневмокомпрессор и его установка 16


ООО "Трейдтрансгрупп" предлагает запчасти для спецтехники ГАЗ-34039
| Позиция на рисунке | Артикул | Наименование | Цена | |
|---|---|---|---|---|
| 1 | А29.05.001 | Клапан всасывающий | дог. | |
| 2 | А29.05.002 | Прокладка нижняя | дог. | |
| 3 | А29.05.003 | Прокладка верхняя | дог. | |
| 4 | А29.05.004 | Прокладка головки | дог. | |
| 5 | А29.05.005 | Головка цилиндра | дог. | |
| 6 | А26.05.006 | Цилиндр | дог. | |
| 7 | А29.05.041 | Плита | дог. | |
| 8 | А29.05.042 | Клапан нагнетательный | дог. | |
| 9 | А29.05.043 | Ограничитель | дог. | |
| 10 | А29.05.101 | Поршень | дог. | |
| 11 | А29.05.102 | Кольцо стопорное | дог. | |
| 12 | Л29.05.103 | Палец поршневой | дог. | |
| 13 | А29.05.171 | Шатун | дог. | |
| 14 | А29.05.172 | Крышка шатуна | дог. | |
| 15 | А29.05.173 | Шайба стопорная | дог. | |
| 16 | А29.01.001 | Картер | дог. | |
| 17 | А29.01.003 | Крышка | дог. | |
| 18 | А29.01.004 | Вал коленчатый | дог. | |
| 19 | А29.01.006 | Прокладка цилиндра | дог. | |
| 20 | А29.01.009 | Прокладка | дог. | |
| 21 | А29.01.013 | Пружина | дог. | |
| 22 | А29.01.015 | Пробка транспортная | дог. | |
| 23 | Л29.01.017 | Прокладка | дог. | |
| 24 | А29.01.019 | Уплотнитель крышки | дог. | |
| 25 | А29.01.021 | Пробка транспортная | дог. | |
| 26 | А29.01.023 | Шпилька | дог. | |
| 27 | А29.01.053 | Пробка | дог. | |
| 28 | А29.01.059 | Штуцер | дог. | |
| 29 | А29.01.064-А | Прокладка | дог. | |
| 30 | А29.01.201-А | Шестерня | дог. | |
| 31 | А29.01.202-А | Втулка | дог. | |
| 32 | Л29.01.251-А | Валик | дог. | |
| 33 | А29.01.252-А | Рычаг | дог. | |
| 34 | А29.01.252-Б | Болт | дог. | |
| 35 | А29.01.253 | Палец | дог. | |
| 36 | А29.01.301 | Ось шестерни | дог. | |
| 37 | А27.02.03.007 | Кольцо компрессионное | дог. | |
| 38 | А27.02.03.008 | Кольцо компрессионное | дог. | |
| 39 | А27.12.40.509 | Сегмент | дог. | |
| 40 | А27.12.40.510 | Расширитель | дог. | |
| 41 | А27.12.40.511 | Расширитель | дог. | |
| 42 | 240-3509150 | Маслопровод | дог. | |
| 43 | 240-3509158 | Хомут | дог. | |
| 44 | 240-3509159 | Скоба | дог. | |
| 45 | 240-3509232 | Штуцер | дог. | |
| 46 | 240-3509233 | Болт штуцера | дог. | |
| 47 | 36-1104788-01 | Прокладка | дог. | |
| 48 | 014-018-25-2-1 | Кольцо | дог. | |
| 49 | 020-025-30-2-1 | Кольцо | дог. | |
| 50 | 2,5т6х12 | Штифт | дог. | |
| 51 | 4h8x28 | Штифт | дог. | |
| 52 | 207 | Подшипник | дог. | |
| 53 | M6-6gx 10.88.35.016 | Болт | дог. | |
| 54 | M6-6gxl6.88.35.016 | Болт | дог. | |
| 55 | M8-6gx35.109.40X.05 | Болт | дог. | |
| 56 | M10-6gx45.88.35.016 | Болт | дог. | |
| 57 | 2M8x3p/6gxl8.66.016 | Шпилька | дог. | |
| 58 | 2M10x3p/6gx28.66.016 | Шпилька | дог. | |
| 59 | М6-6Н.6.019 | Гайка | дог. | |
| 60 | М8-6Н.8.019 | Гайка | дог. | |
| 61 | М8х1.6н.8.45.056 | Гайка | дог. | |
| 62 | М10-6Н.6.019 | Гайка | дог. | |
| 63 | 6.65Г.06 | Шайба | дог. | |
| 64 | 8.04.05 | Шайба | дог. | |
| 65 | 8.65Г.06 | Шайба | дог. | |
| 66 | 10.65Г.06 | Шайба | дог. |
